Curiosii for ever!
: Car repair manuals for everyone.
Home
>>
Infiniti
>>
2002
>>
Q45 V8-4.5L (VK45DE)
>>
Repair and Diagnosis
>>
Diagrams
>>
Exploded Views
>>
Engine
>>
System Diagram
System Diagram
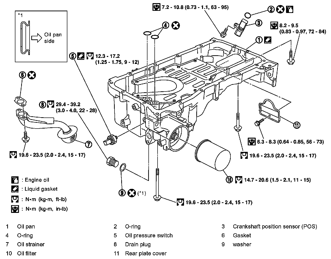
OIL PAN AND OIL STRAINER: