Curiosii for ever!
: Car repair manuals for everyone.
Home
>>
Infiniti
>>
2002
>>
Q45 V8-4.5L (VK45DE)
>>
Repair and Diagnosis
>>
Diagrams
>>
Electrical Diagrams
>>
Powertrain Management
>>
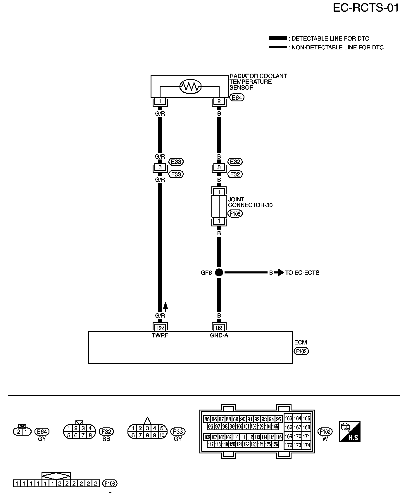
Coolant Temperature Sensor/Switch (For Computer)
>>
EC-RCTS
EC-RCTS
EC-RCTS-01: