Curiosii for ever!
: Car repair manuals for everyone.
Home
>>
Infiniti
>>
2002
>>
I35 V6-3.5L (VQ35DE)
>>
Repair and Diagnosis
>>
Specifications
>>
Mechanical Specifications
>>
Engine
>>
System Specifications
>>
Torque Specifications
>>
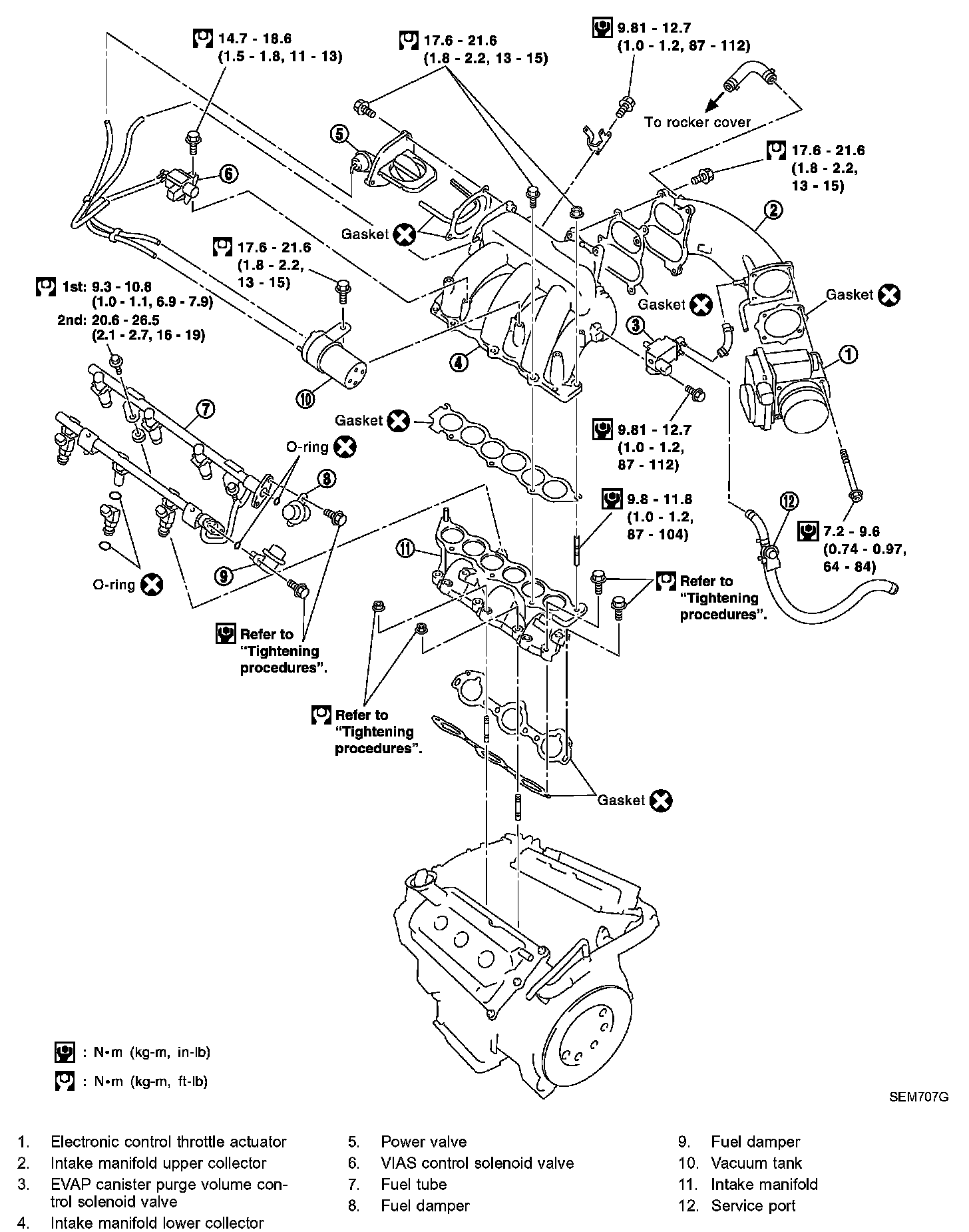
Engine Assembly and Outer Parts
Engine Assembly and Outer Parts
OUTER COMPONENT PARTS
Engine Outer Components (1 Of 2):
Engine Outer Components (2 Of 2):