Curiosii for ever!
: Car repair manuals for everyone.
Home
>>
Infiniti
>>
2002
>>
G20 L4-2.0L (SR20DE)
>>
Repair and Diagnosis
>>
Diagrams
>>
Exploded Views
>>
Engine
>>
System Diagram
System Diagram
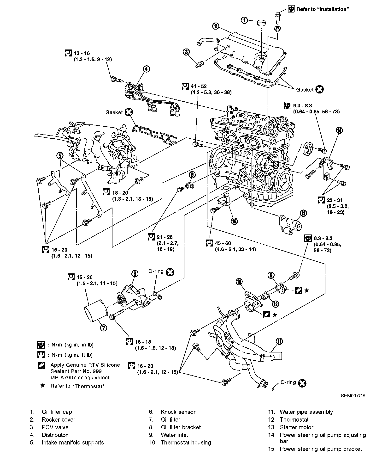
Engine / Outer Component Parts (1 Of 3):
Engine / Outer Component Parts (2 Of 3):
Engine / Outer Component Parts (3 Of 3):
OIL PAN:
TIMING CHAIN:
CYLINDER HEAD ASSEMBLY:
ENGINE ASSEMBLY:
OIL PUMP ASSEMBLY: