Curiosii for ever!
: Car repair manuals for everyone.
Home
>>
Infiniti
>>
2001
>>
G20 L4-2.0L (SR20DE)
>>
Repair and Diagnosis
>>
Diagrams
>>
Exploded Views
>>
Engine
>>
System Diagram
>>
Outer Engine Components
Outer Engine Components
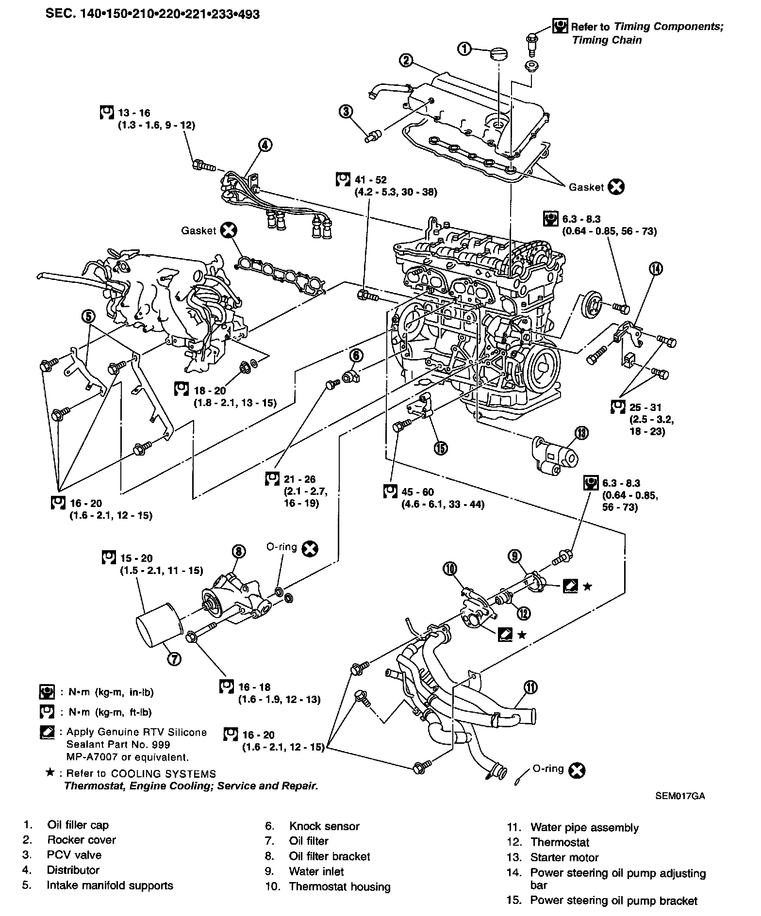
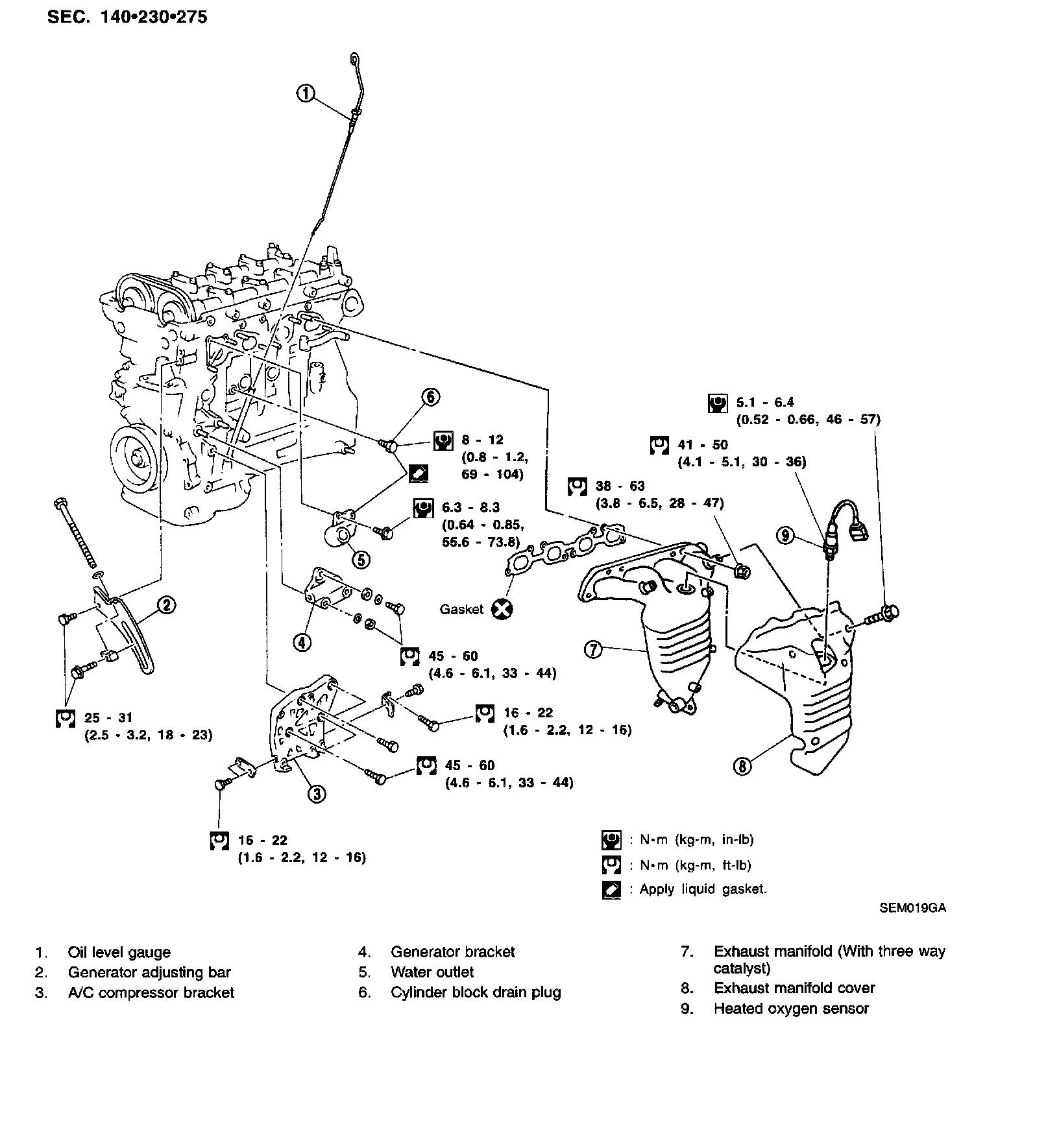
OUTER COMPONENT PARTS
1 of 3
2 of 3
3 of 3