Curiosii for ever!
: Car repair manuals for everyone.
Home
>>
Infiniti
>>
2000
>>
G20t L4-2.0L (SR20DE)
>>
Repair and Diagnosis
>>
Powertrain Management
>>
Computers and Control Systems
>>
Relays and Modules - Computers and Control Systems
>>
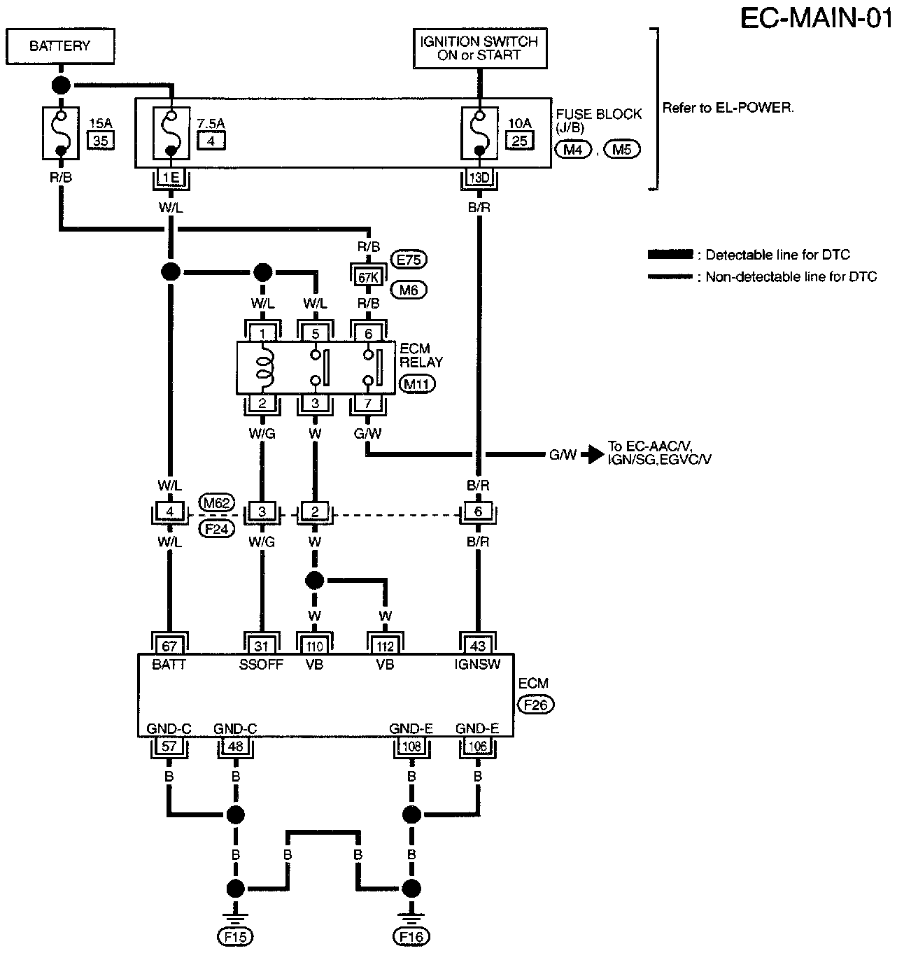
Main Relay (Computer/Fuel System)
>>
Diagrams
>>
Electrical Diagrams
Electrical Diagrams
EC-MAIN-01: