Curiosii for ever!: Car repair manuals for everyone.

How to Read Wiring Diagrams



How to Read Wiring Diagrams

CONNECTOR SYMBOLS

Most of connector symbols in wiring diagrams are shown from the terminal side.




- Connector symbols shown from the terminal side are enclosed by a single line and followed by the direction mark.
- Connector symbols shown from the harness side are enclosed by a double line and followed by the direction mark.




- Male and female terminals
Connector guides for male terminals are shown in black and female terminals in white in wiring diagrams.




- Letter designations next to test meter probe indicate harness (connector) wire color.
- Connector numbers in a single circle M33 indicate harness connectors.
- Connector numbers in a double circle F211 indicate component connectors.


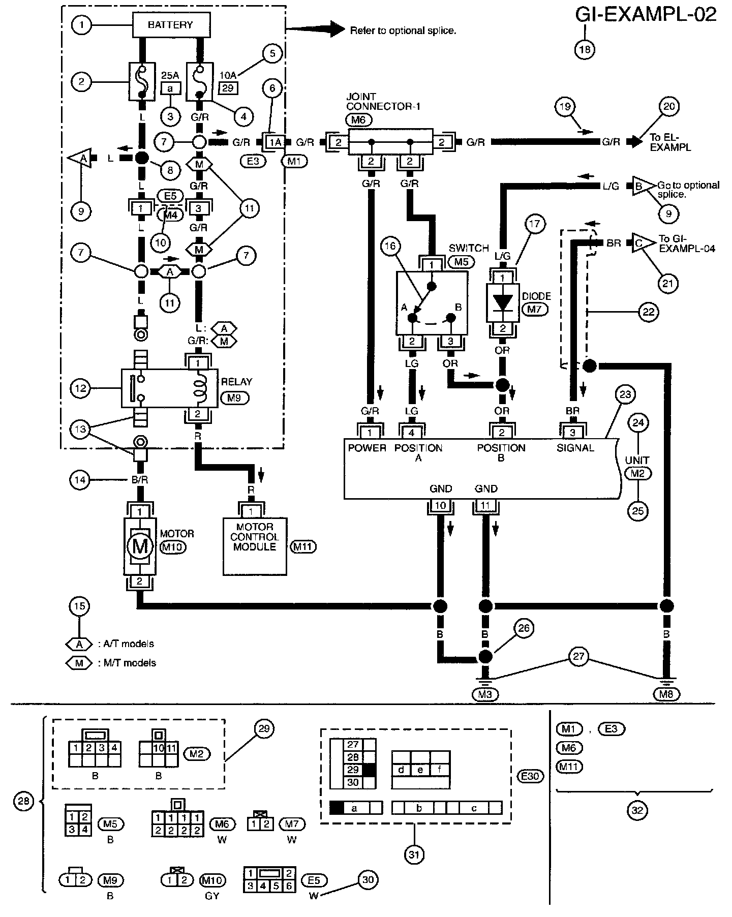
WIRING DIAGRAM - EXAMPLE











WIRING DIAGRAM LEGEND








DETECTABLE AND NON-DETECTABLE LINES





In some wiring diagrams, two kinds of lines, representing wires, with different weight are used.
- A line with regular weight (wider line) represents a "detectable line for DTC (Diagnostic Trouble Code)". A "detectable line for DTC" is a circuit in which ECM (Engine Control Module) can detect its malfunctions with the on board diagnostic system.
- A line with less weight (thinner line) represents a "non-detectable line for DTC". A "non-detectable line for DTC" is a circuit in which ECM cannot detect its malfunctions with the on board diagnostic system.


SWITCH POSITIONS





Switches are shown in wiring diagrams as if the vehicle is in the "normal" condition.
A vehicle is in the "normal" condition when:
- ignition switch is "OFF",
- doors, hood and trunk lid/back door are closed,
- pedals are not depressed, and
- parking brakes is released.


MULTIPLE SWITCH





The continuity of multiple switch is described in two ways as shown below.
- The switch chart is used in schematic diagrams.
- The switch diagram is used in wiring diagrams.