Curiosii for ever!
: Car repair manuals for everyone.
Home
>>
Infiniti
>>
2000
>>
G20 L4-2.0L (SR20DE)
>>
Repair and Diagnosis
>>
Powertrain Management
>>
Computers and Control Systems
>>
Data Link Connector
>>
Testing and Inspection
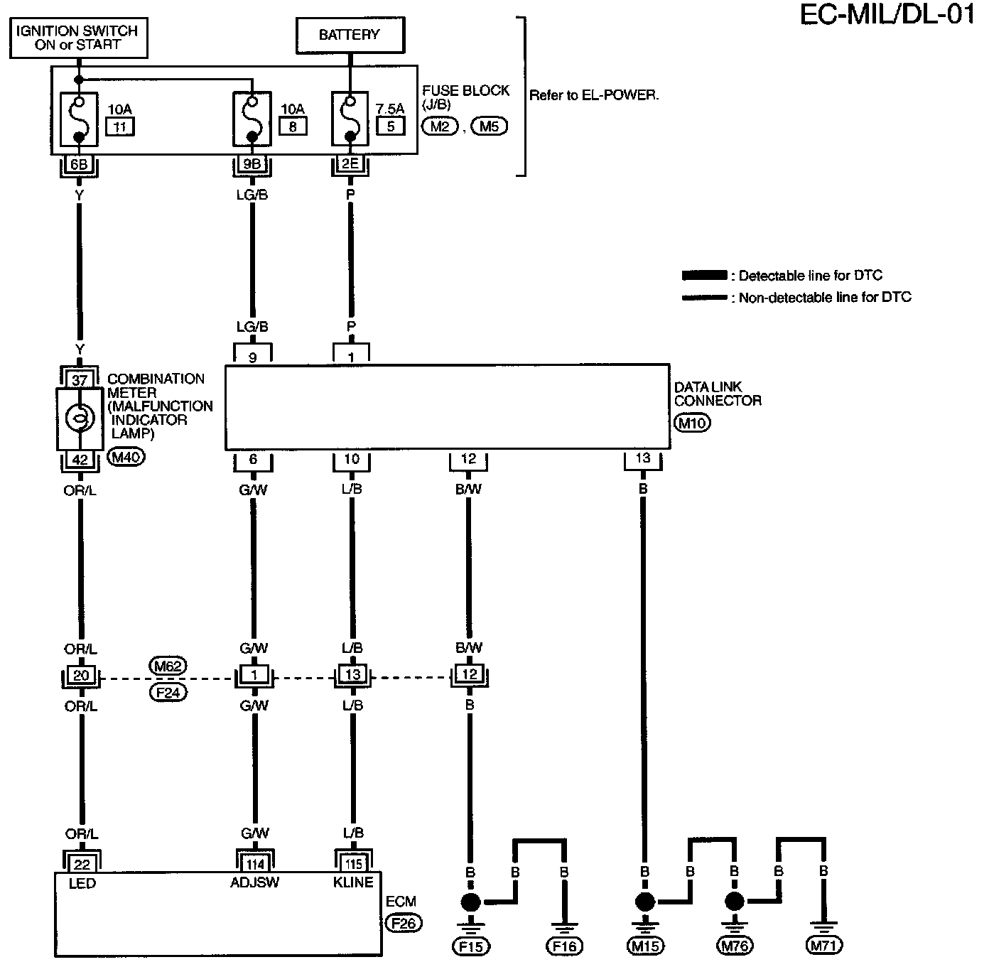
Data Link Connector: Testing and Inspection
EC-MIL/DL-01:
EC-MIL/DL-01 - Connector Views:
WIRING DIAGRAM
M1,M2,M3,M4,M5,B1,E71,E72,E73 Connector Views: