Curiosii for ever!
: Car repair manuals for everyone.
Home
>>
Infiniti
>>
2000
>>
G20 L4-2.0L (SR20DE)
>>
Repair and Diagnosis
>>
Powertrain Management
>>
Computers and Control Systems
>>
Air Flow Meter/Sensor
>>
Diagrams
>>
Electrical Diagrams
Electrical Diagrams
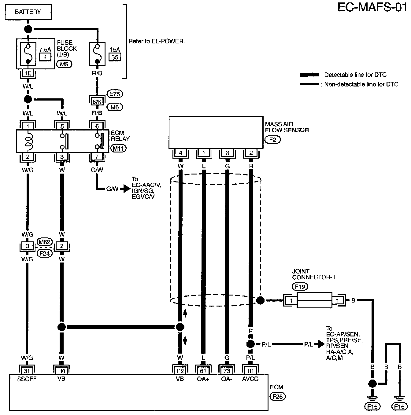
EC-MAFS-01: