Curiosii for ever!
: Car repair manuals for everyone.
Home
>>
Infiniti
>>
2000
>>
G20 L4-2.0L (SR20DE)
>>
Repair and Diagnosis
>>
Diagrams
>>
Components
>>
Modules
>>
Engine Control Module (ECM)
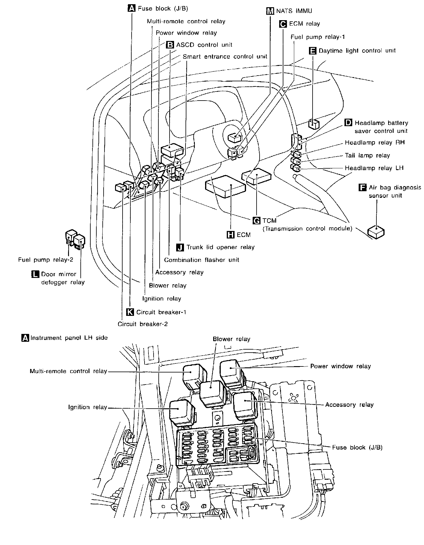
Engine Control Module (ECM)
Component Parts and Harness Connector Location
Passenger Compartment