Curiosii for ever!
: Car repair manuals for everyone.
Home
>>
Infiniti
>>
1999
>>
G20t L4-2.0L (SR20DE)
>>
Repair and Diagnosis
>>
Diagrams
>>
Exploded Views
>>
Engine
>>
System Diagram
>>
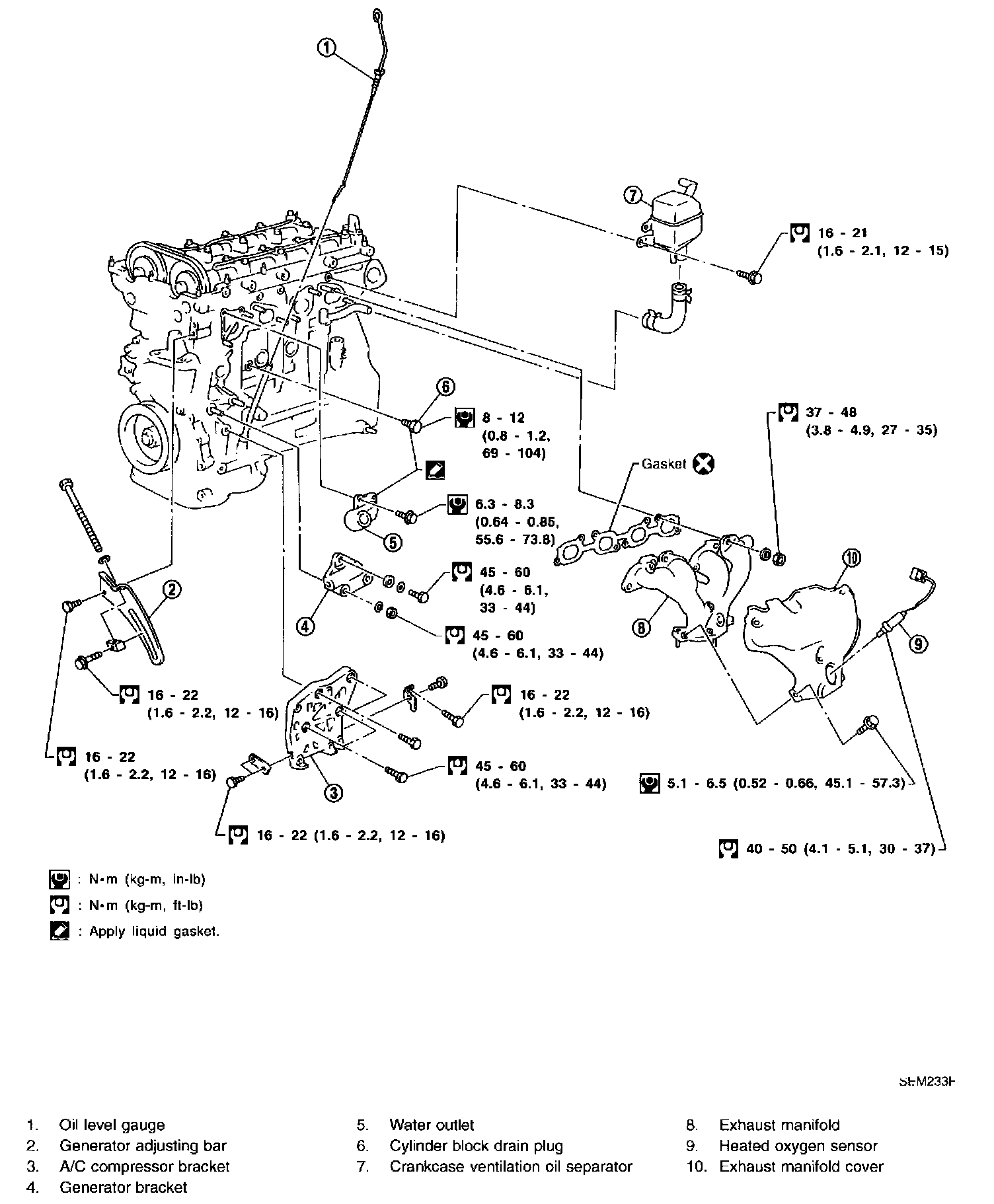
Outer Engine Components
Outer Engine Components
Outer Component Parts
Part 1 of 3
Part 2 of 3
Part 3 of 3