Curiosii for ever!: Car repair manuals for everyone.

A/T 1ST GR Fnctn




DESCRIPTION
- This is an OBD-II self-diagnostic item and not available in TCM self-diagnosis.
- This malfunction will not be detected while the O/D OFF indicator lamp is indicating another self-diagnosis malfunction.
- This malfunction is detected when the A/T does not shift into first gear position as instructed by the TCM. This is not caused by electrical malfunction (circuits open or shorted) but by mechanical malfunction such as control valve sticking, improper solenoid valve operation, etc.




TCM TERMINALS AND REFERENCE VALUE
Remarks: Specification data are reference values.







ON BOARD DIAGNOSTIC LOGIC
This diagnosis monitors actual gear position by checking the torque converter slip ratio calculated by TCM as follows:
Torque converter slip ratio = A x C/B
A: Output shaft revolution signal from revolution sensor
B: Engine speed signal from ECM
C: Gear ratio determined as gear position which TCM supposes If the actual gear position is higher than the position (1st) supposed by TCM, the slip ratio will be more than normal. In case the ratio exceeds the specified value, TCM judges this diagnosis malfunction.
This malfunction will be caused when either shift solenoid valve A is stuck open or shift solenoid valve B is stuck open.

DIAGNOSTIC TROUBLE CODE (DTC) CONFIRMATION PROCEDURE

CAUTION:
- Always drive vehicle at a safe speed.
- Be careful not to rev engine into the red zone on the tachometer.

NOTE: If "DIAGNOSTIC TROUBLE CODE CONFIRMATION PROCEDURE" has been previously conducted, always turn ignition switch "OFF" and wait at least 5 seconds before conducting the next test.

TESTING CONDITION: Always drive vehicle on a level road to improve the accuracy of test.

After the repair, perform the following procedure to confirm the malfunction is eliminated.

With CONSULT
1. Start engine and select "DATA MONITOR" mode for "A/T" with CONSULT.
2. Make sure that output voltage of A/T fluid temperature sensor is within the range below.
FLUID TEMP SEN: 0.4 - 1.5 V
If out of range, drive the vehicle to decrease the voltage (warm up the fluid) or stop engine to increase the voltage (cool down the fluid).
3. Select "1ST GR FNCTN P0731" of "DTC WORK SUPPORT" mode for "A/T" with CONSULT and touch "START".
4. Accelerate vehicle to 20 to 25 KPH (12 to 16 MPH) under the following condition and release the accelerator pedal completely.
THROTTLE POSI: Less than 118 (at all times during step 4)
Selector lever: 0 position (OD "ON")
- Check that "GEAR" shows "2" after releasing pedal.
5. Depress accelerator pedal to WOT (more than 7/8 of "THROTTLE POSI") quickly from a speed of 20 to 25 KPH (12 to 16 MPH) until "TESTING" changes to "STOP VEHICLE" or "COMPLETED". (It will take approximately 3 seconds.)
If the check result NG appears on CONSULT screen, go to "DIAGNOSTIC PROCEDURE".
If "STOP VEHICLE" appears on CONSULT screen, go to the following step.
- Check that "GEAR" shows "1" when depressing accelerator pedal to WOT.
- If "TESTING" does not appear on CONSULT for a long time, select "SELF-DIAG RESULTS" for "ENGINE". In case a 1st trip DTC other than P0731 is shown, refer to applicable "TROUBLE DIAGNOSES FOR DTC".
6. Stop vehicle.
7. Follow the instruction displayed. (Check for normal shifting referring to the table below.)
8. Make sure that "OK" is displayed. (If "NG" is displayed, refer to "DIAGNOSTIC PROCEDURE".)
Refer to "DIAGNOSTIC PROCEDURE".
Refer to shift schedule.

With GST
1. Start engine and warm up ATF.
2. Accelerate vehicle to 20 to 25 KPH (12 to 16 MPH) under the following condition and release the accelerator pedal completely.
THROTTLE POSE: Less than 1/8
Selector lever: D position (OD "ON")
Refer to shift schedule.
3. Depress accelerator pedal to WOT (more than 7/8 of "THROTTLE POSI") quickly from a speed of 20 to 25 KPH (12 to 16 MPH). (It will take approximately 3 seconds.)
4. Select "MODE 7" with GST.

Without Scan Tools
1. Start engine and warm up ATF.
2. Accelerate vehicle to 20 to 25 KPH (12 to 16 MPH) under the following condition and release the accelerator pedal completely.
THROTTLE POSI: Less than 1/8
Selector lever: D position (OD "ON")
Refer to shift schedule.
3. Depress accelerator pedal to WOT (more than 7/8 of "THROTTLE POSI") quickly from a speed of 20 to 25 KPH (12 to 16 MPH). (It will take approximately 3 seconds.)
4. Perform self-diagnosis for ECM.
Refer to ["Malfunction Indicator Lamp (MIL)", "ON BOARD DIAGNOSTIC SYSTEM DESCRIPTION"].







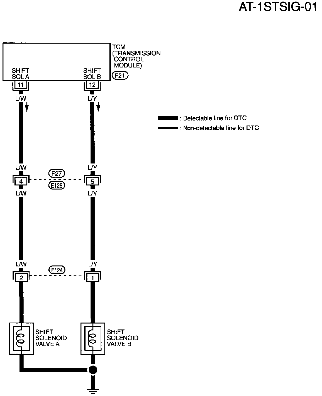
WIRING DIAGRAM

1 CHECK SHIFT SOLENOID VALVE:




2 CHECK CONTROL VALVE:




3 CHECK DTC:




DIAGNOSTIC PROCEDURE

COMPONENT INSPECTION

SHIFT SOLENOID VALVE A AND B







Resistance Check
- Check resistance between two terminals.




Operation Check
- Check solenoid valve by listening for its operating sound while applying battery voltage to the terminal and ground.