Curiosii for ever!: Car repair manuals for everyone.

How to Read Wiring Diagrams

How to Read Wiring Diagrams

CONNECTOR SYMBOLS
Most of connector symbols in wiring diagrams are shown from the terminal side.




- Connector symbols shown from the terminal side are enclosed by a single line and followed by the direction mark.
- Connector symbols shown from the harness side are enclosed by a double line and followed by the direction mark.
- Certain systems and components especially those related to
OBD may use a new style slide-locking type harness connector.
For description and how to disconnect refer "Description", "HARNESS CONNECTOR".




- Male and female terminals
Connector guides for male terminals are shown in black and female terminals in white in wiring diagrams.

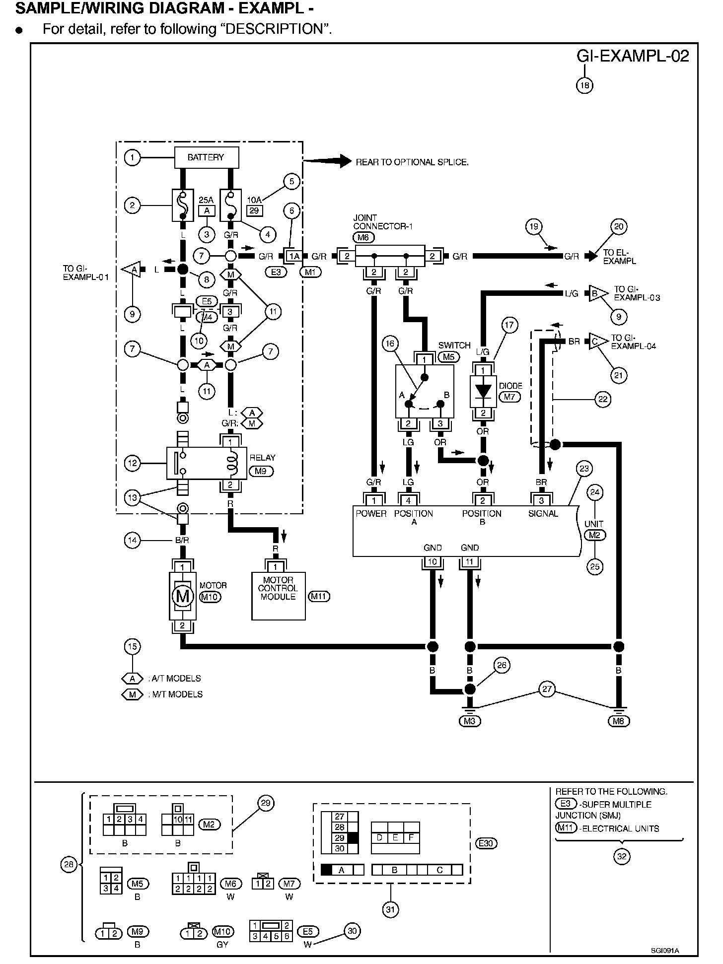
GI-EXAMPL-02:










Description




Harness Indication
- Letter designations next to test meter probe indicate harness (connector) wire color.
- Connector numbers in a single circle M33 indicate harness connectors.

Component Indication
Connector numbers in a double circle F211 indicate component connectors.




Switch Positions
Switches are shown in wiring diagrams as if the vehicle is in the "normal" condition. A vehicle is in the "normal" condition when:
- ignition switch is "OFF"
- doors, hood and trunk lid/back door are closed,
- pedals are not depressed, and
- parking brake is released.




Detectable Lines and Non-Detectable Lines
In some wiring diagrams two kinds of lines representing wires with different weight are used.
- A line with regular weight (wider line) represents a "detectable line for DTC (Diagnostic Trouble Code)". A "detectable line for DTC" is a circuit in which ECM can detect its malfunctions with the on board diagnostic system.
- A line with less weight (thinner line) represents a "non-detectable line for DTC". A "non-detectable line for DTC" is a circuit in which ECM cannot detect its malfunctions with the on board diagnostic system.




Multiple Switch
The continuity of multiple switch is described in two ways as shown.
- The switch chart is used in schematic diagrams.
- The switch diagram is used in wiring diagrams.