Curiosii for ever!
: Car repair manuals for everyone.
Home
>>
Infiniti
>>
1996
>>
G20 L4-2.0L (SR20DE)
>>
Repair and Diagnosis
>>
Starting and Charging
>>
Starting System
>>
Testing and Inspection
Starting System: Testing and Inspection
Fig. 6 Troubleshooting Chart:
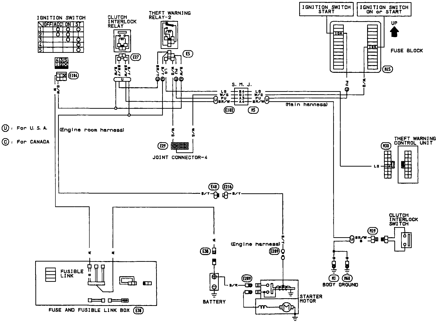
Fig. 11 Starter Wiring Diagram:
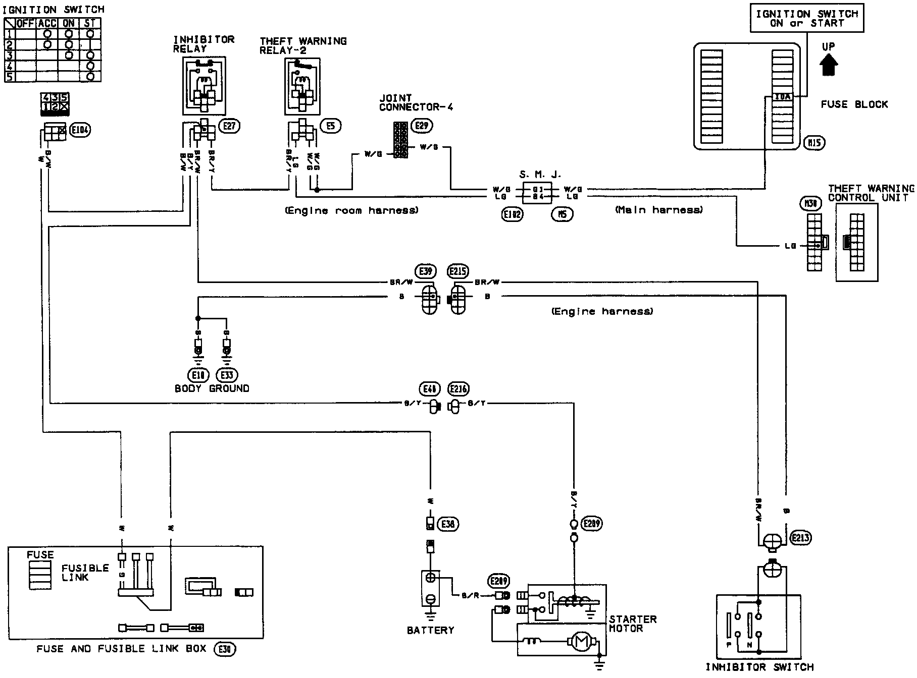
Fig. 12 Starter Wiring Diagram:
Refer to
Fig. 6
for troubleshooting and
Figs. 11 through 12
for wiring circuits.