Curiosii for ever!
: Car repair manuals for everyone.
Home
>>
Infiniti
>>
1996
>>
G20 L4-2.0L (SR20DE)
>>
Repair and Diagnosis
>>
Diagrams
>>
Electrical Diagrams
>>
Power and Ground Distribution
>>
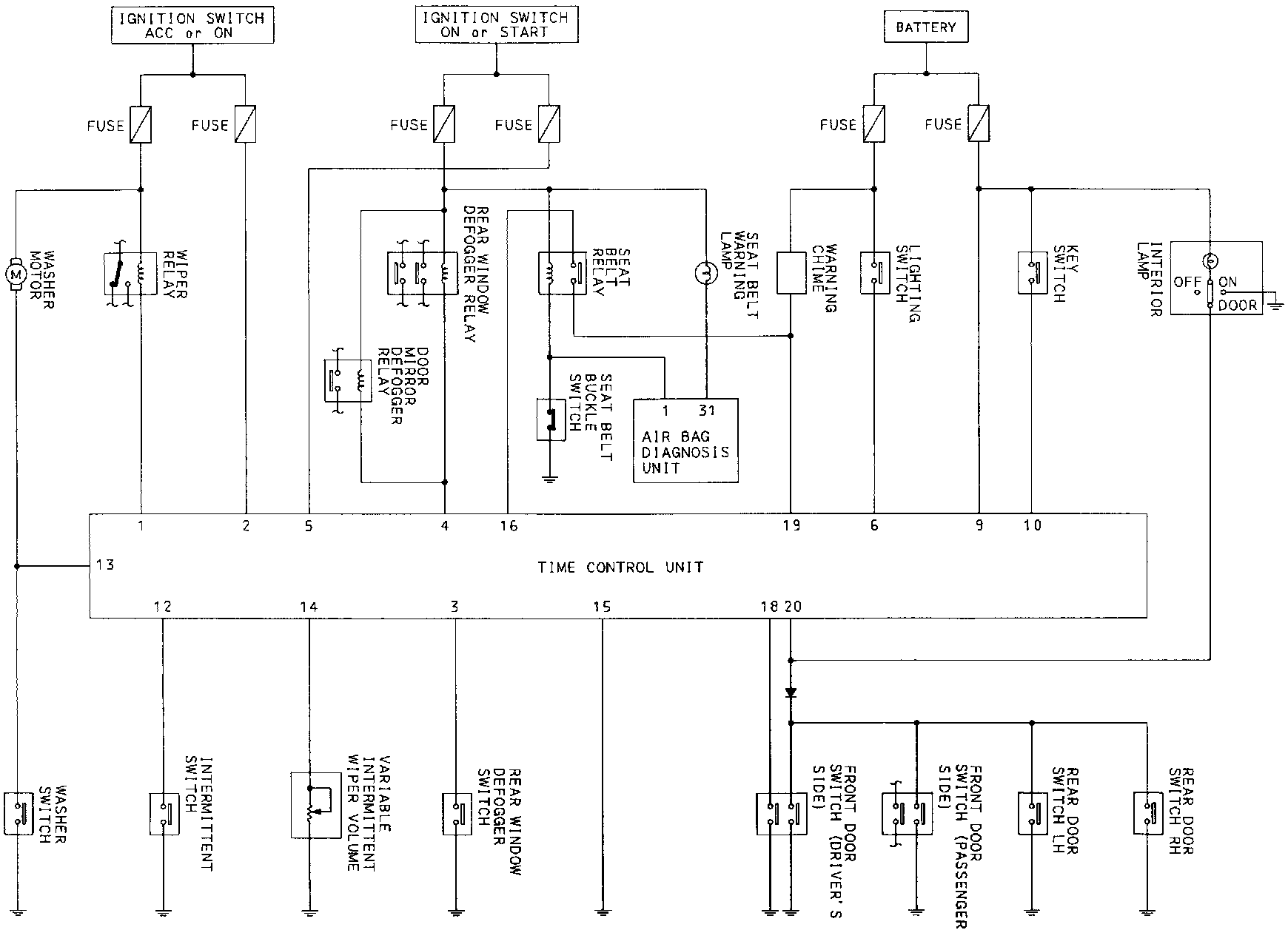
Timer/Control Unit, Accessory Control
>>
Schematic
Schematic
Time Control Unit Schematic: