Curiosii for ever!
: Car repair manuals for everyone.
Home
>>
Infiniti
>>
1996
>>
G20 L4-2.0L (SR20DE)
>>
Repair and Diagnosis
>>
Diagrams
>>
Electrical Diagrams
>>
Automatic Transmission/Transaxle
>>
Control Module, A/T
Control Module, A/T
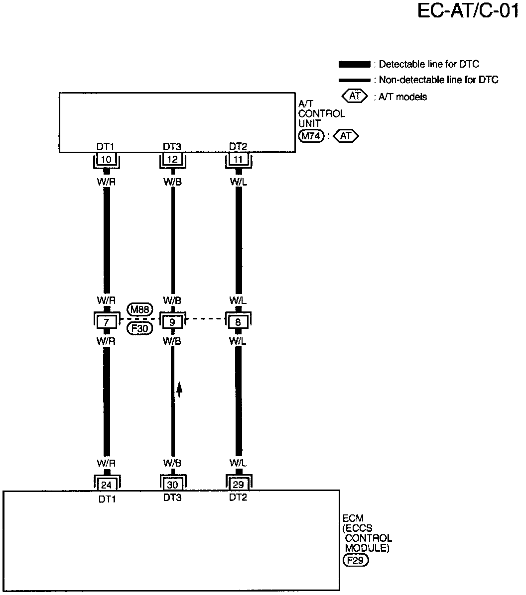
EC-AT/C-01 A/T Control (DTC: P0600):