Curiosii for ever!
: Car repair manuals for everyone.
Home
>>
Infiniti
>>
1995
>>
G20 L4-2.0L (SR20DE)
>>
Repair and Diagnosis
>>
Powertrain Management
>>
Computers and Control Systems
>>
Relays and Modules - Computers and Control Systems
>>
Main Relay (Computer/Fuel System)
>>
Diagrams
>>
Electrical Diagrams
>>
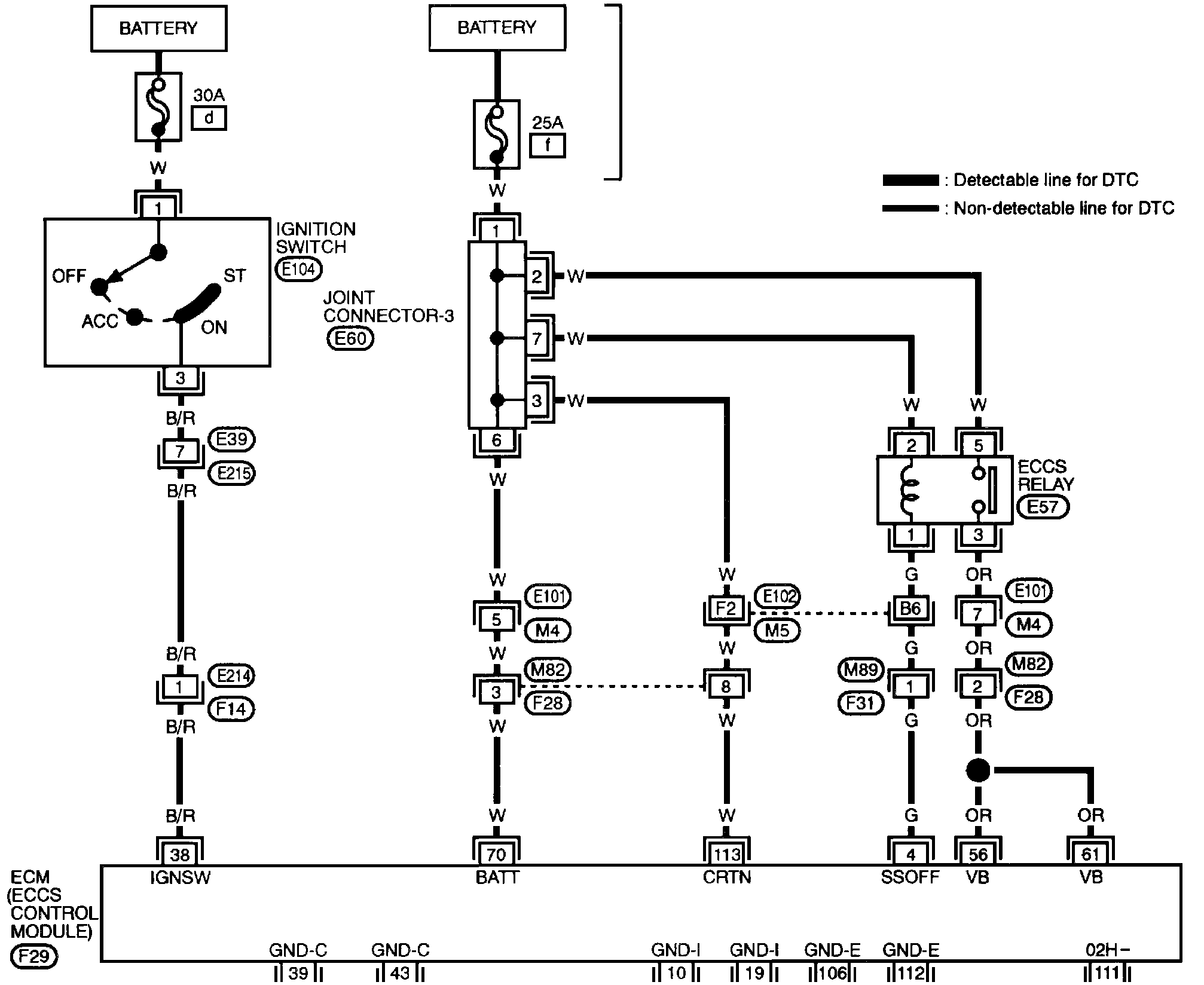
Main Power Supply and Ground Circuit
Main Power Supply and Ground Circuit
O��Main Power Supply And Ground Circuit: