Curiosii for ever!
: Car repair manuals for everyone.
Home
>>
Infiniti
>>
1993
>>
J30 V6-181 3.0L
>>
Repair and Diagnosis
>>
Specifications
>>
Mechanical Specifications
>>
Engine
>>
System Specifications
>>
Service Data and Specifications
Service Data and Specifications
ENGINE SPECIFICATIONS
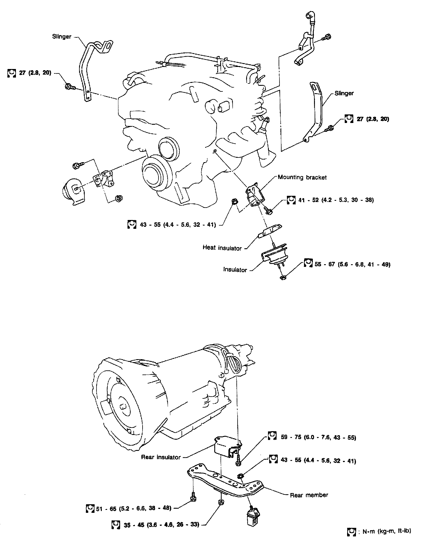
TIGHTENING SPECIFICATIONS
CAMSHAFT
TIGHTENING SEQUENCE
CYLINDER HEAD TIGHTENING SEQUENCE
MAIN BEARING TIGHTENING SEQUENCE
OIL PAN
TIGHTENING SEQUENCE