Curiosii for ever!: Car repair manuals for everyone.

Ignition Signal

Ignition Signal (Not Self-Diagnostics Item):




Ignition Signal (Not Self-Diagnostics Item):




Ignition Signal (Not Self-Diagnostics Item):




Ignition Signal (Not Self-Diagnostics Item):





DIAGNOSTIC CHART


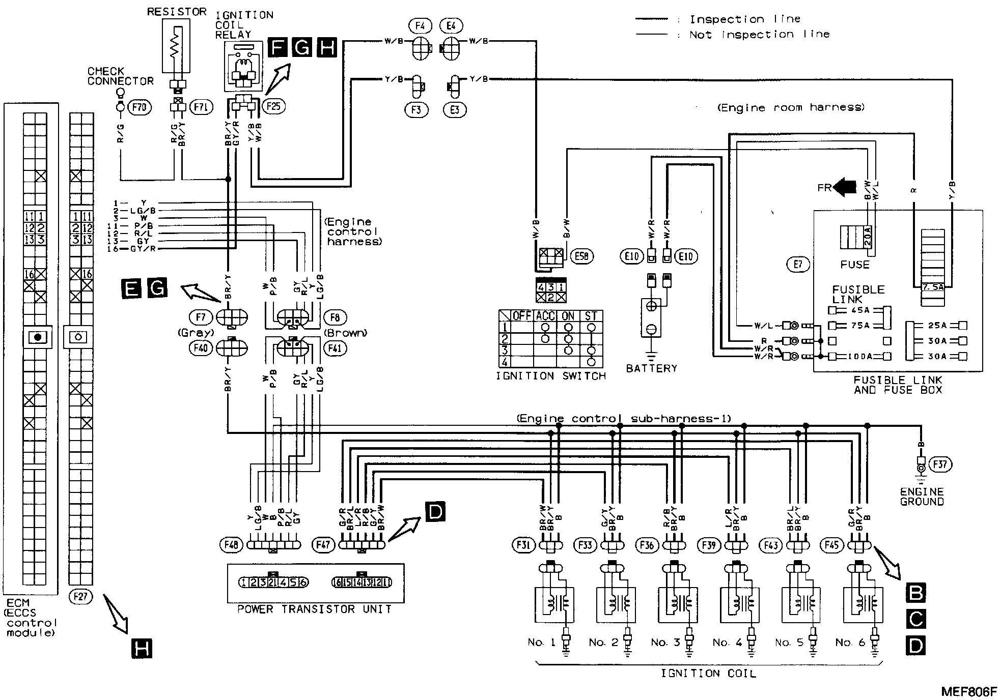
Circuit Diagram:





CIRCUIT DIAGRAM


Harness Layout:

















HARNESS LAYOUT