Curiosii for ever!
: Car repair manuals for everyone.
Home
>>
Infiniti
>>
1993
>>
J30 V6-181 3.0L
>>
Repair and Diagnosis
>>
Diagrams
>>
Electrical Diagrams
>>
Powertrain Management
>>
Ignition System
>>
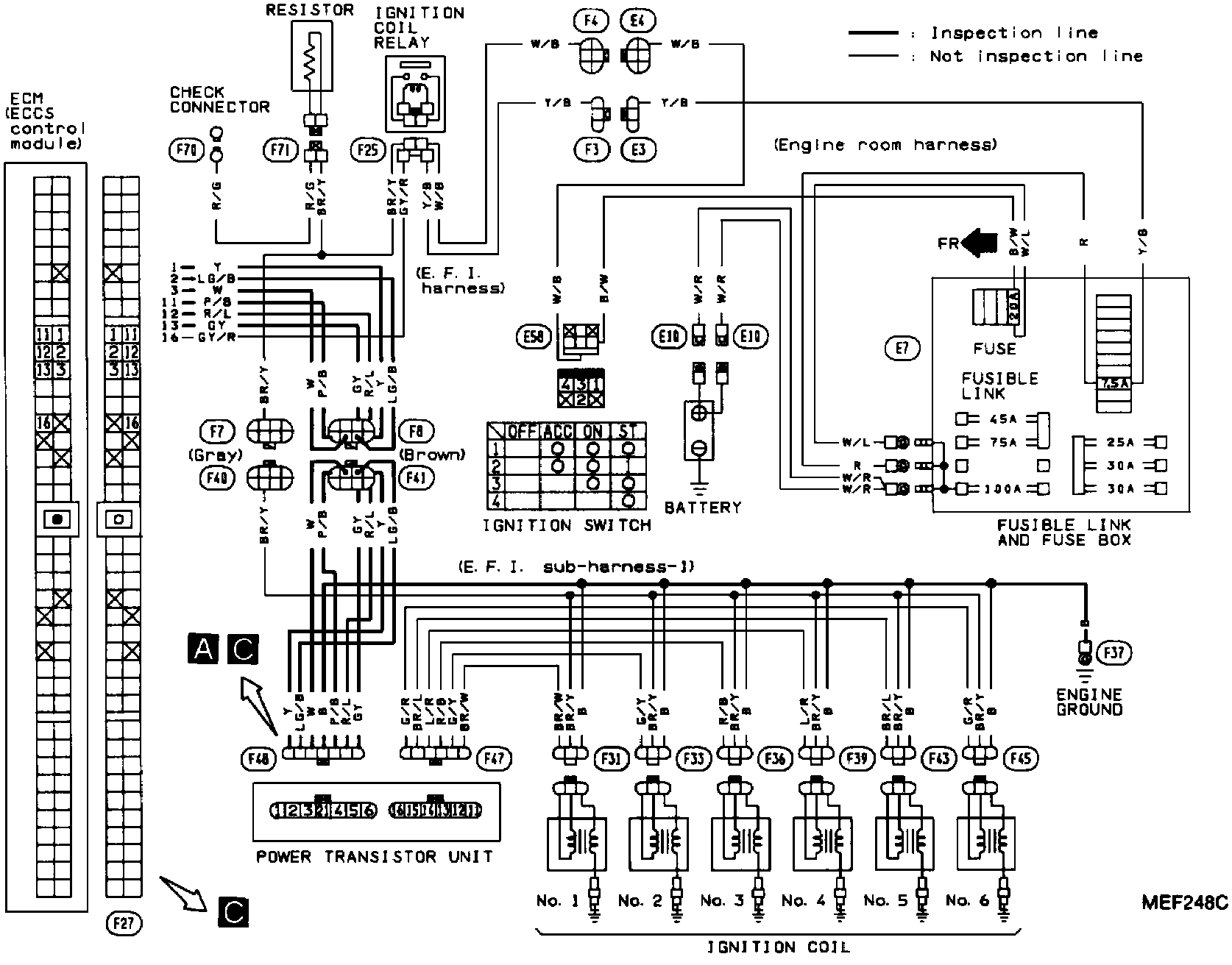
Ignition Control Module
Ignition Control Module
Ignition Signal: