Curiosii for ever!
: Car repair manuals for everyone.
Home
>>
Infiniti
>>
1993
>>
G20 L4-2.0L (SR20DE)
>>
Repair and Diagnosis
>>
Powertrain Management
>>
Computers and Control Systems
>>
Testing and Inspection
>>
Component Tests and General Diagnostics
>>
Start Signal Circuit
Start Signal Circuit
Non-DTC Chart - Start Signal:
DIAGNOSTIC CHART
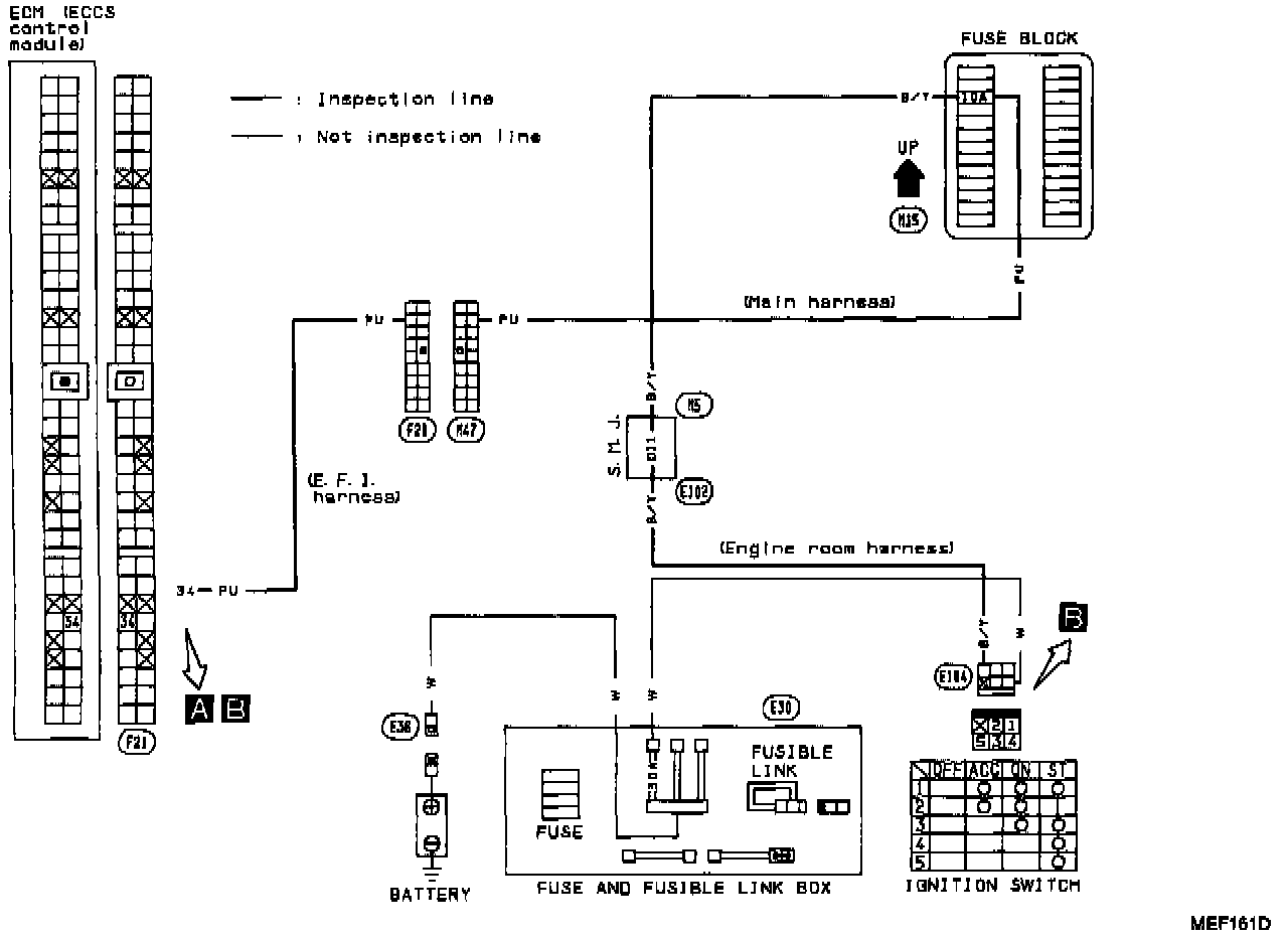
Start Signal Circuit Diagram:
CIRCUIT DIAGRAM