Curiosii for ever!
: Car repair manuals for everyone.
Home
>>
Infiniti
>>
1993
>>
G20 L4-2.0L (SR20DE)
>>
Repair and Diagnosis
>>
Power and Ground Distribution
>>
Timer/Control Unit
>>
Diagrams
>>
Electrical Diagrams
>>
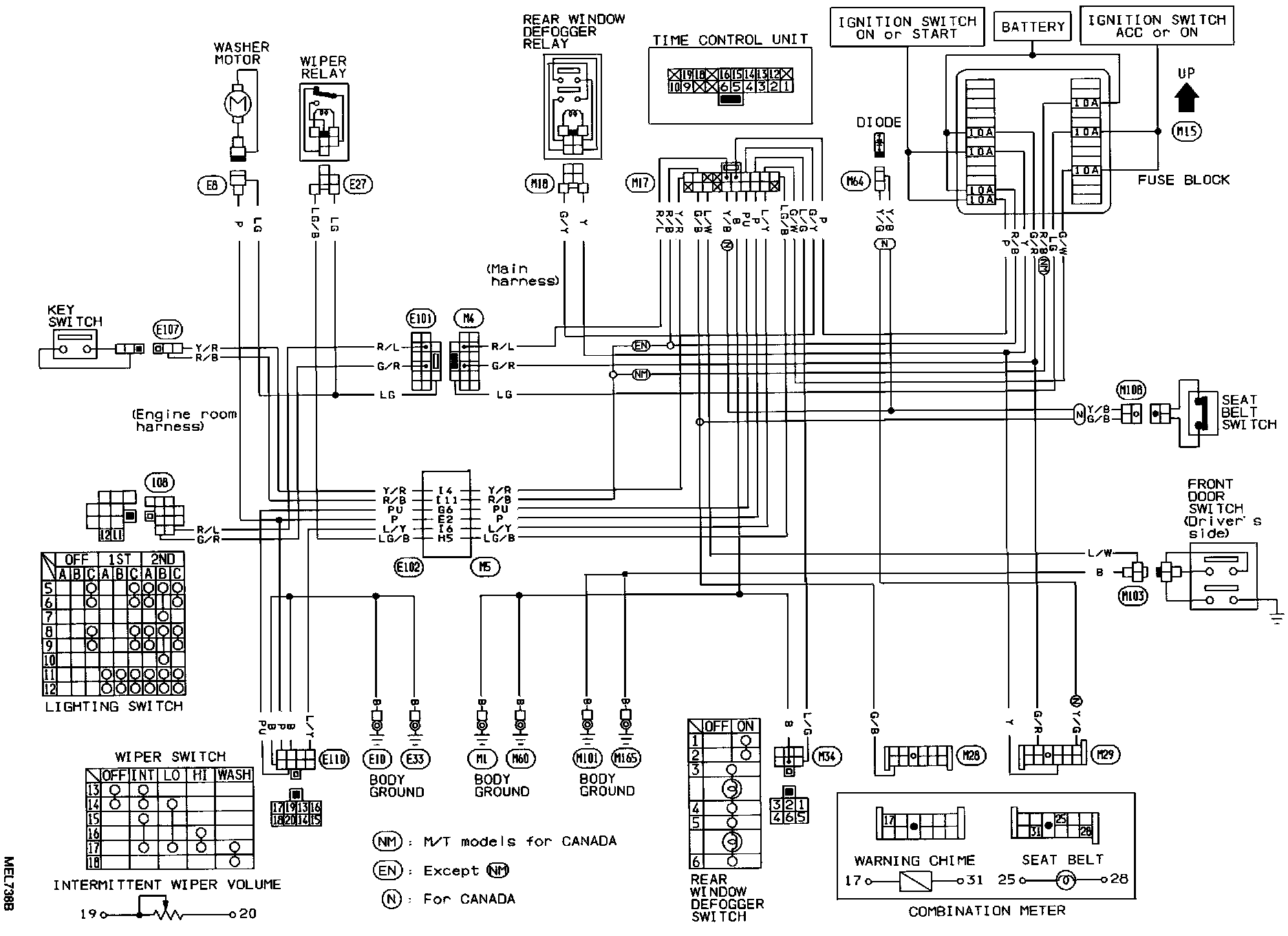
Time Control System/ Wiring Diagram
Time Control System/ Wiring Diagram
Time Control System: