Curiosii for ever!
: Car repair manuals for everyone.
Home
>>
Infiniti
>>
1992
>>
M30 V6-181 3.0L
>>
Repair and Diagnosis
>>
Powertrain Management
>>
Diagrams
>>
Electrical Diagrams
>>
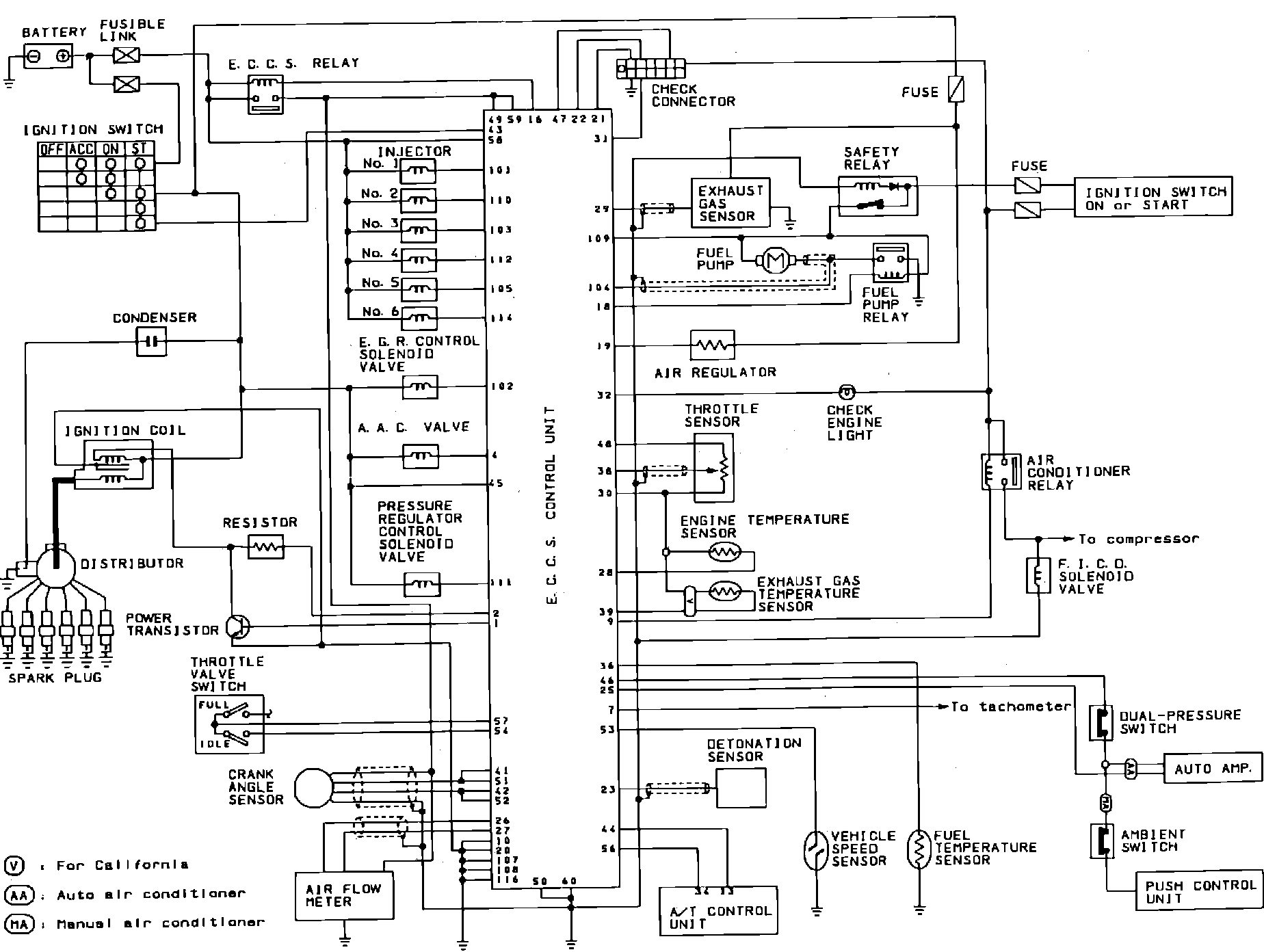
Engine Control System Schematic
Engine Control System Schematic
Fig. 12 ECCS Circuit Diagram: