Curiosii for ever!
: Car repair manuals for everyone.
Home
>>
Infiniti
>>
1990
>>
M30 V6-181 3.0L
>>
Repair and Diagnosis
>>
Powertrain Management
>>
Relays and Modules - Powertrain Management
>>
Relays and Modules - Computers and Control Systems
>>
Engine Control Module
>>
Locations
>>
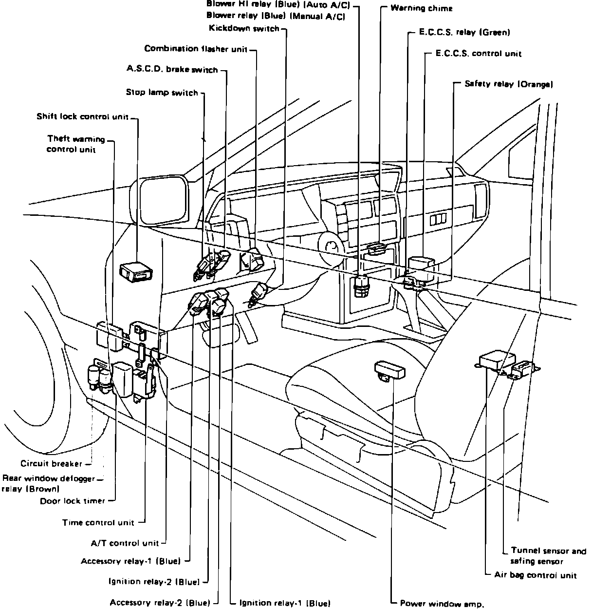
ECCS Control Unit
ECCS Control Unit
Passenger Compartment Component Locations:
Behind RH Side Of I/P