Curiosii for ever!
: Car repair manuals for everyone.
Home
>>
Infiniti
>>
1990
>>
M30 V6-181 3.0L
>>
Repair and Diagnosis
>>
Cruise Control
>>
Cruise Control Servo
>>
Locations
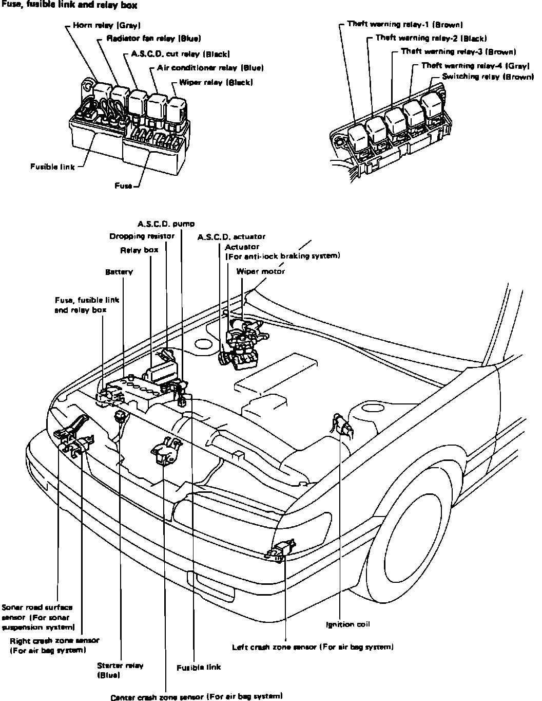
Cruise Control Servo: Locations
Engine Compartment Component Locations:
LH Rear Of Engine Compartment