Curiosii for ever!
: Car repair manuals for everyone.
Home
>>
Hyundai
>>
2013
>>
Sonata L4-2.0L Turbo
>>
Repair and Diagnosis
>>
Diagrams
>>
Electrical Diagrams
>>
Automatic Transmission/Transaxle
>>
Control Module, A/T
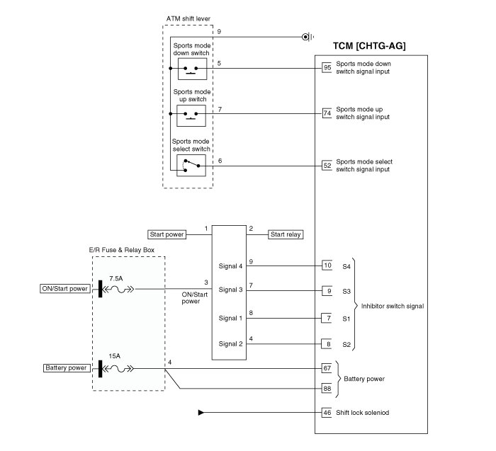
Control Module, A/T
1.
TCM
Connector and Terminal Function
2.
TCM
Terminal Function
Connector [CHTG-AG]
TCM
Terminal Input/ Output Signal
Connector [CHTG-AG]
Circuit Diagram