Curiosii for ever!
: Car repair manuals for everyone.
Home
>>
Hyundai
>>
2013
>>
Genesis Sedan V8-5.0L
>>
Repair and Diagnosis
>>
Diagrams
>>
Connector Views
>>
Antilock Brakes / Traction Control Systems
Antilock Brakes / Traction Control Systems
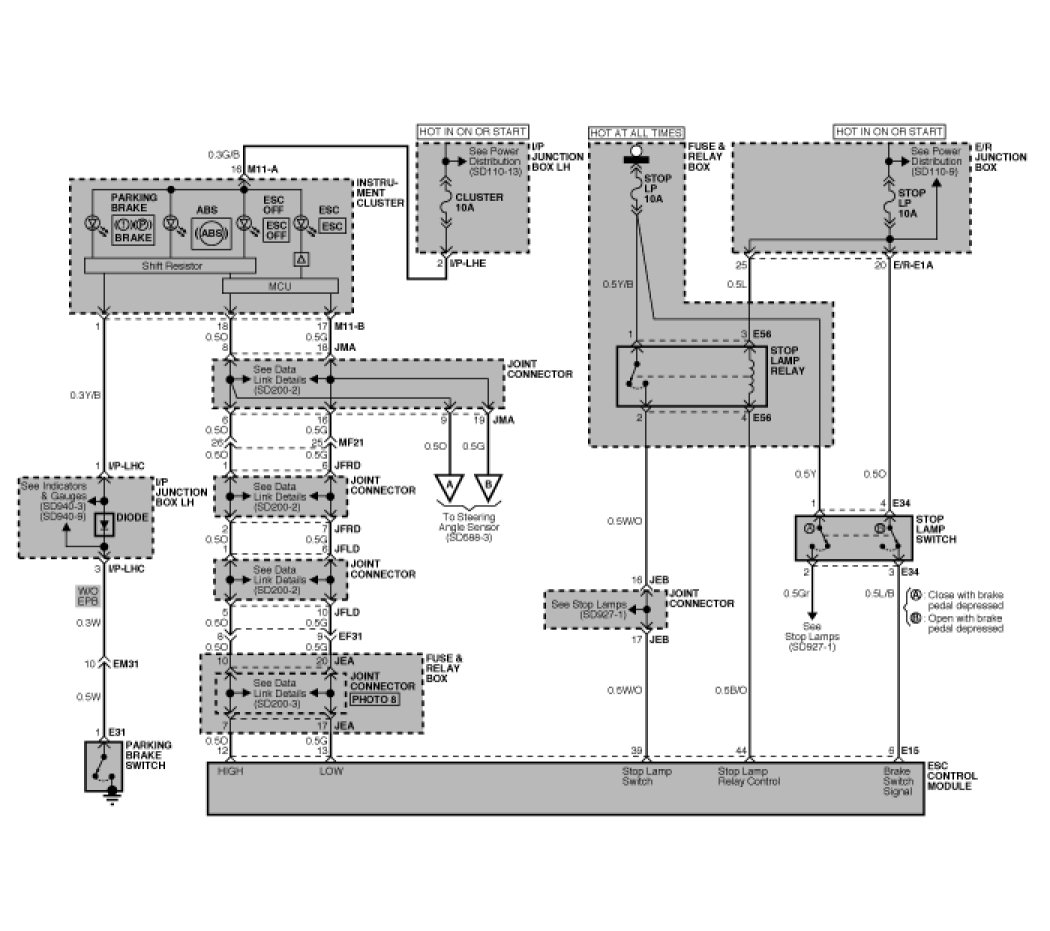
ESC Circuit Diagram (1)
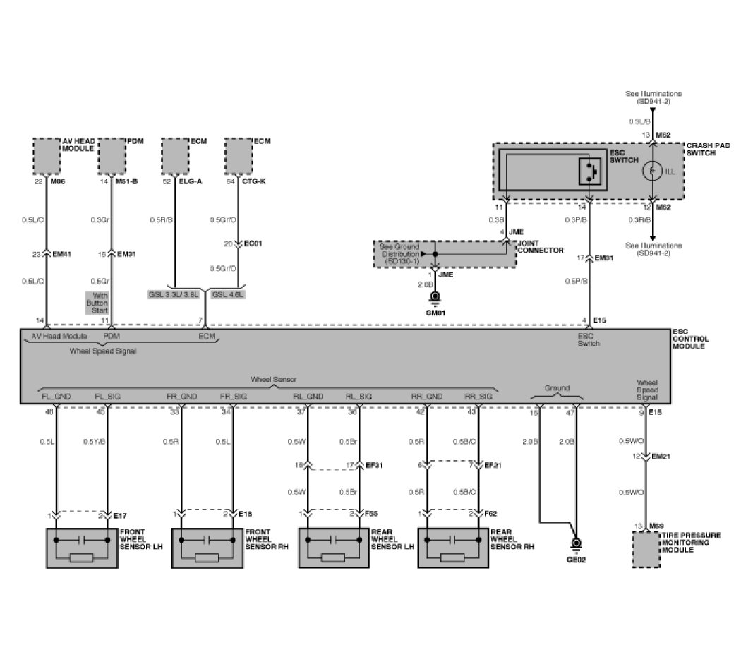
ESC Circuit Diagram (2)
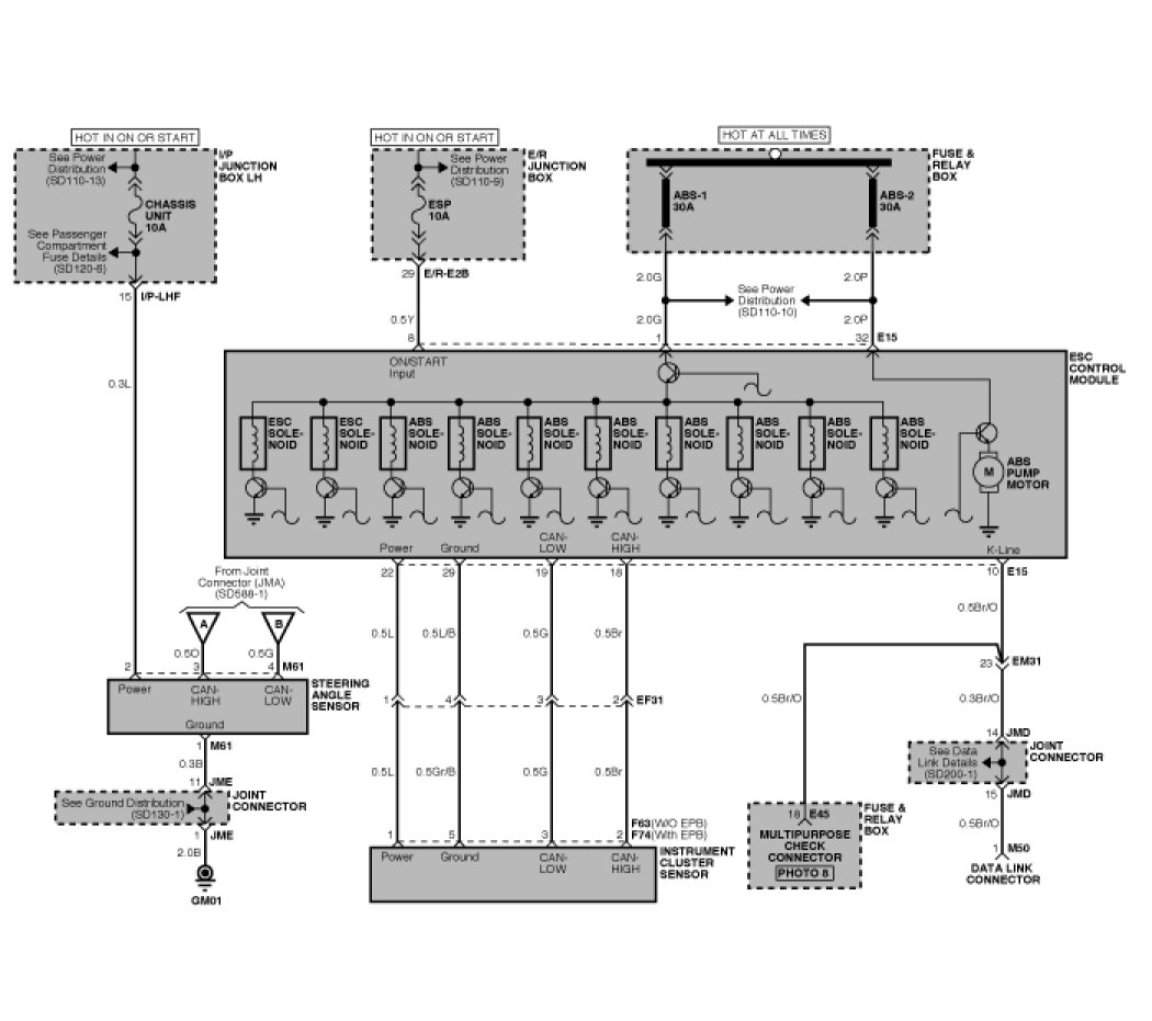
ESC Circuit Diagram (3)
ESC Connector Input/Output