Curiosii for ever!
: Car repair manuals for everyone.
Home
>>
Hyundai
>>
2013
>>
Genesis Coupe L4-2.0L Turbo
>>
Repair and Diagnosis
>>
Diagrams
>>
Electrical Diagrams
>>
Engine Control Module
Engine Control Module
ECM Terminal And Input/Output signal
ECM Harness Connector
ECM Terminal Function
Connector [CHG-K]
Connector [CHG-A]
ECM Terminal Input/ Output signal
Connector [CHG-K]
Connector [CHG-A]
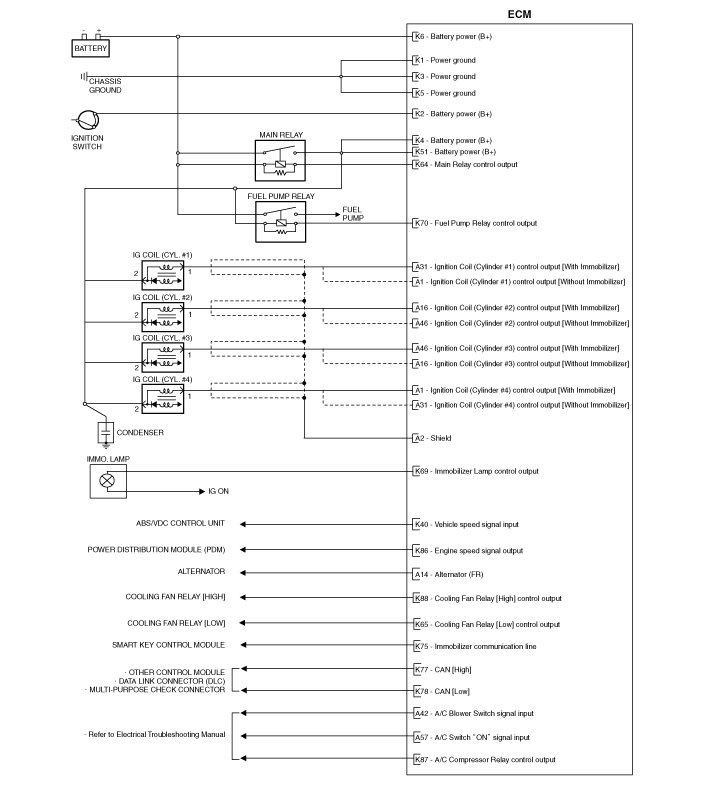
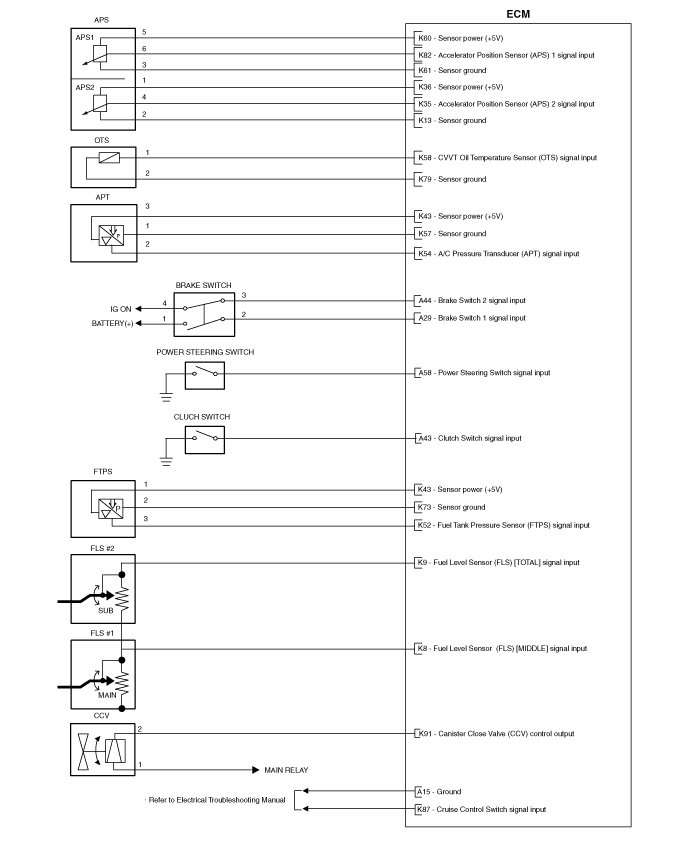
Circuit Diagram