Curiosii for ever!
: Car repair manuals for everyone.
Home
>>
Hyundai
>>
2013
>>
Elantra L4-1.8L
>>
Repair and Diagnosis
>>
Body and Frame
>>
Interior Moulding / Trim
>>
Console
>>
Service and Repair
>>
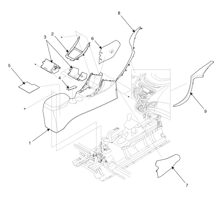
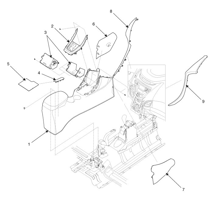
Components And Components Location
Components And Components Location
Components
[M/T]
[A/T]