Curiosii for ever!
: Car repair manuals for everyone.
Home
>>
Hyundai
>>
2013
>>
Elantra L4-1.8L
>>
Repair and Diagnosis
>>
Accessories and Optional Equipment
>>
Antitheft and Alarm Systems
>>
Keyless Entry
>>
Keyless Starting System
>>
Diagrams
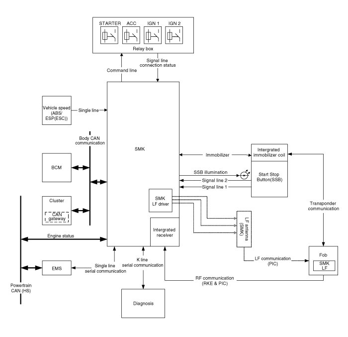
Keyless Starting System: Diagrams
Circuit Diagram (1)
Circuit Diagram (2)