Curiosii for ever!: Car repair manuals for everyone.

Repair Procedures





Removal

1. Turn the ignition switch OFF.
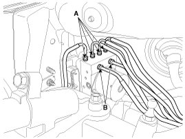
2. Pull up the lock of the HECU connector (A) , then disconnect the connector.




3. Remove the brake fluid from the master cylinder reservoir with a syringe.

CAUTION:
- Be sure to completely remove foreign substances from around brake fluid reservoir and cap before opening the reservoir cap. If not, it may cause contamination of brake fluid and deterioration in braking performance.
- Do not spill brake fluid on the vehicle, it may damage the paint; if brake fluid does contact the paint, wash it off immediately with water.

4. Disconnect the brake tubes from the HECU by unlocking the nuts counterclockwise with a spanner.

Tightening torque:
A : 12.7 - 16.7 N.m (1.3 - 1.7 kgf.m, 9.4 - 12.3 lb-ft)
B : 18.6 - 22.6 N.m (1.9 - 2.3 kgf.m, 13.7 - 16.6 lb-ft)




5. Install the jack to the edge of oil pan to support the engine.





NOTE:
Insert the rubber block between jack and oil pan.

6. Remove the engine mounting support bracket.

7. Slowly lower the jack.
8. Loosen the HECU bracket nuts (A), then remove HECU and bracket.

Tightening torque :
16.7 - 25.5 N.m (1.7 - 2.6 kgf.m, 12.3 - 18.8 lb-ft)





CAUTION:
1. Never attempt to disassemble the HECU.
2. Never shock the HECU.

9. Remove the 3 bolts, then remove the bracket from HECU.

Tightening torque :
7.8 - 9.8 N.m (0.8 - 1.0 kgf.m, 5.8 - 7.2 lb-ft)

Installation

1. Install in the reverse order of removal.
2. Tighten the HECU mounting bolts and nuts to the specified torque.
3. After installation, bleed the brake system.

4. When you have replaced the HECU always perform variant coding.

NOTE:
In a case of replacing HECU, operate the following functions.
1. "Steering Angle Sensor Calibration" for steering angle sensor offset correction.
2. "Longitudinal Sensor Calibration" for Longitudinal sensor offset correction.

Variant coding

1. Connect the GDS to the data link connector.
2. Turn the ignition "ON".
3. Select vehicle name and system.
4. Select the variant coding.
5. Perform variant coding according to the instructions on the screen.




6. Ignition "OFF" and then ignition "ON".
7. The variant coding is completed.