Curiosii for ever!
: Car repair manuals for everyone.
Home
>>
Hyundai
>>
2013
>>
Azera V6-3.3L
>>
Repair and Diagnosis
>>
Instrument Panel, Gauges and Warning Indicators
>>
Service and Repair
>>
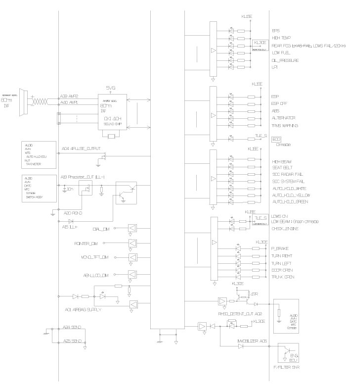
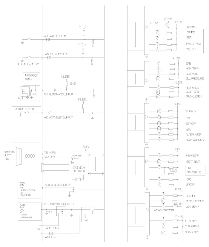
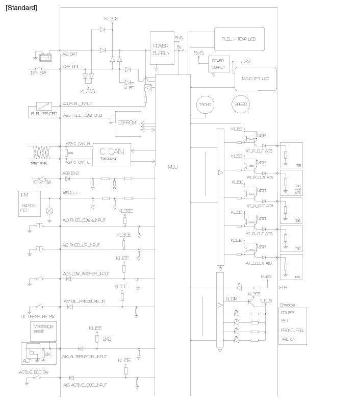
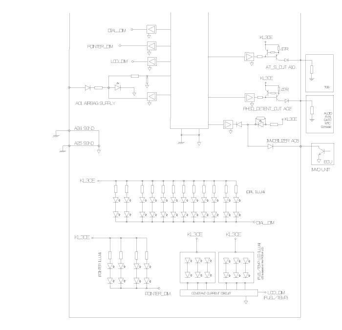
Repair Procedures
Repair Procedures
Circuit Diagram