Curiosii for ever!
: Car repair manuals for everyone.
Home
>>
Hyundai
>>
2013
>>
Azera V6-3.3L
>>
Repair and Diagnosis
>>
Diagrams
>>
Connector Views
>>
Antilock Brakes / Traction Control Systems
Antilock Brakes / Traction Control Systems
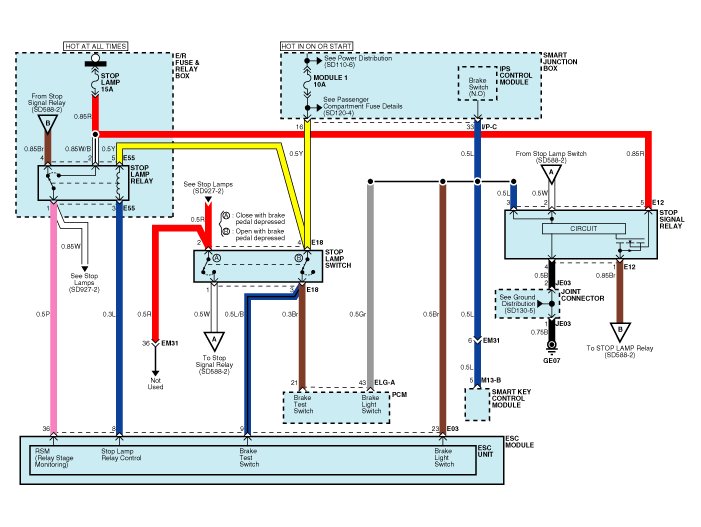
Circuit Diagram - ESC (1)
Circuit Diagram - ESC (2)
Circuit Diagram - ESC (3)
Circuit Diagram - ESC (4)
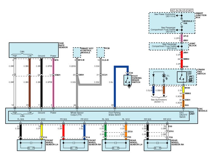
ESC connector input/output