Curiosii for ever!: Car repair manuals for everyone.

Blower Motor Resistor: Service and Repair





Inspection

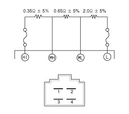
1. Measure terminal-to-terminal resistance of the blower resistor.
2. measured resistance is not within specification, the blower resistor must be replaced. (After removing the resistor)










Replacement

1. Disconnect the negative (-) battery terminal.
2. Disconnect the blower resistor connector and then remove the blower resistor (A) after loosening the mounting screws.




3. Installation is the reverse order of removal.