Curiosii for ever!
: Car repair manuals for everyone.
Home
>>
Hyundai
>>
2012
>>
Equus V8-5.0L
>>
Repair and Diagnosis
>>
Heating and Air Conditioning
>>
Housing Assembly HVAC
>>
Service and Repair
>>
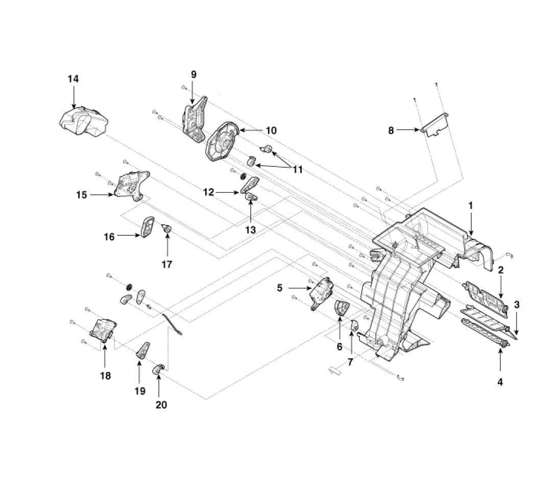
Components And Components Location
Components And Components Location
Component Location
Component