Curiosii for ever!: Car repair manuals for everyone.

Repair Procedures





Replacement

1. Disconnect the negative (-) battery terminal.
2. Recover the refrigerant with a recovery/ recycling/ charging station.
3. When the engine is cool, drain the engine coolant from the radiator.
4. Loosen the mounting nut and then remove the expansion valve cover (A).




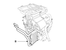
5. Remove the bolts (A) and the expansion valve (B) from the evaporator core.

Tightening torque :
7.8 - 11.7 N.m ( 0.8 - 1.2 kgf.m, 5.7 - 8.6 Ib-ft)





CAUTION:
Plug or cap the lines immediately after disconnecting them to avoid moisture and dust contamination.

6. Remove the expansion valve flange (A).




7. Disconnect the inlet (C) and outlet (D) heater hoses from the heater unit.





CAUTION:
Engine coolant will run out when the hoses are disconnected; drain it into a clean drip pan. Be sure not to let coolant spill on electrical parts or painted surfaces. If any coolant spills, rinse it off immediately.

8. Remove the console assembly.

9. Remove the shift lever assembly.

10. Remove the steering column.

11. Remove the cowl top cover.

12. Loosen the cowl cross member mounting bolts (A).




13. Remove the right and left front filler trim and disconnect the connectors (A).








14. Remove the right and left lower cover and then disconnect connectors (B).








15. Disconnect the fuse box connectors (A).




16. Remove the air duct (A).




17. Disconnect the airbag connector (A).




18. Remove the photo sensor.

19. Remove the center fascia panel (A).




20. Remove the A/C & heater controller.

21. Loosen the heater & blower unit mounting bolt (A).




22. Remove the heater & blower unit after loosening mounting bolts (A).




23. Loosen the cowl cross member mounting bolts (A) and than remove the crash pad and heater blower unit.




24. Disconnect the connectors and than remove the heater blower nuts (A) from crash pad.




25. Remove the blower unit (A) from heater unit (B) after loosening screws.








26. Loosen the mounting screw and then remove the heater core cover (A).




27. Disconnect the heater core (A) from heater unit.




28. Loosen the heater unit lower case mount screw and then remove the heater unit lower case (A).




29. Remove the evaporator core (A).




30. Be careful that the inlet and outlet pipe are not bent during heater core removal, and pull out the heater core.
31. Installation is the reverse order of removal.
32. Installation is the reverse order of removal, and note these items :
A. If you're installing a new evaporator, add refrigerant oil (ND-OIL8).
B. Replace the O-rings with new ones at each fitting, and apply a thin coat of refrigerant oil before installing them. Be sure to use the right O-rings for R-134a to avoid leakage.
C. Immediately after using the oil, replace the cap on the container, and seal it to avoid moisture absorption.
D. Do not spill the refrigerant oil on the vehicle ; it may damage the paint ; if the refrigerant oil contacts the paint, wash it off immediately
E. Apply sealant to the grommets.
F. Make sure that there is no air leakage.
G. Charge the system and test its performance.
H. Do not interchange the inlet and outlet heater hoses and install the hose clamps securely.
I. Refill the cooling system with engine coolant