Curiosii for ever!
: Car repair manuals for everyone.
Home
>>
Hyundai
>>
2011
>>
Sonata L4-2.4L Hybrid
>>
Repair and Diagnosis
>>
Powertrain Management
>>
Computers and Control Systems
>>
Relays and Modules - Computers and Control Systems
>>
Body Control Module
>>
Diagrams
>>
Electrical Diagrams
Electrical Diagrams
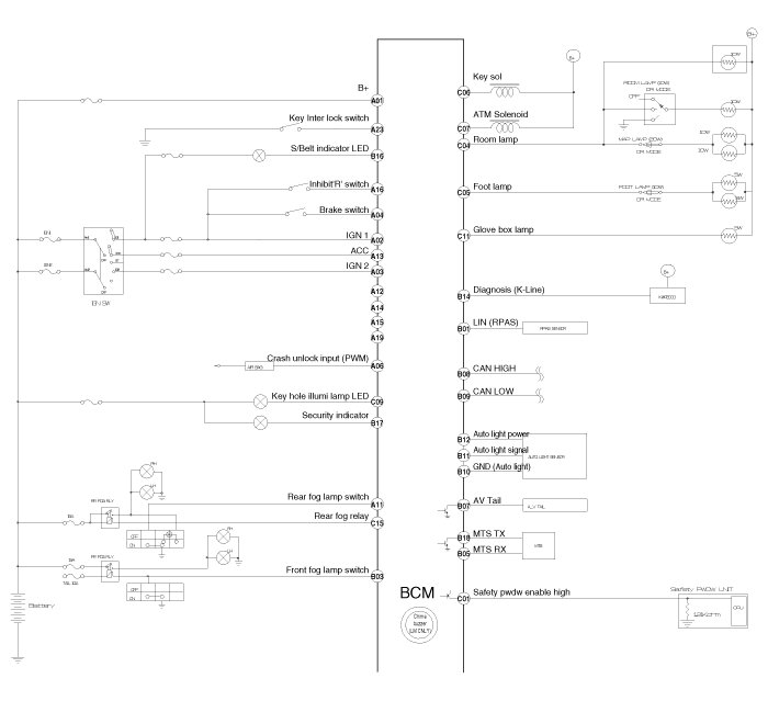
BCM
Connector Terminals
BCM
Input Signal SPEC
Pin Arrangement
Connector A
Connector B
Connector C
Circuit Diagram