Curiosii for ever!
: Car repair manuals for everyone.
Home
>>
Hyundai
>>
2011
>>
Sonata L4-2.4L Hybrid
>>
Repair and Diagnosis
>>
Powertrain Management
>>
Computers and Control Systems
>>
Main Relay (Computer/Fuel System)
>>
Locations
>>
Fuse & Relay Information
Fuse & Relay Information
Fuse and Relay Information
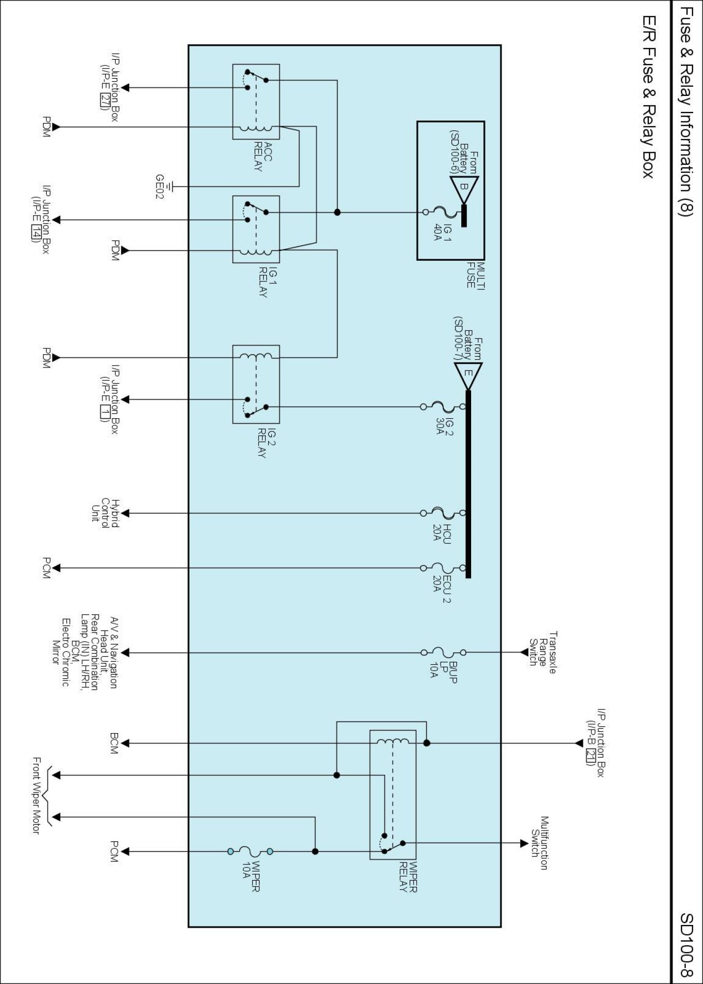
E/R Fuse & Relay Box View:
E/R Fuse & Relay Box Circuit Details:
E/R Fuse & Relay Box View:
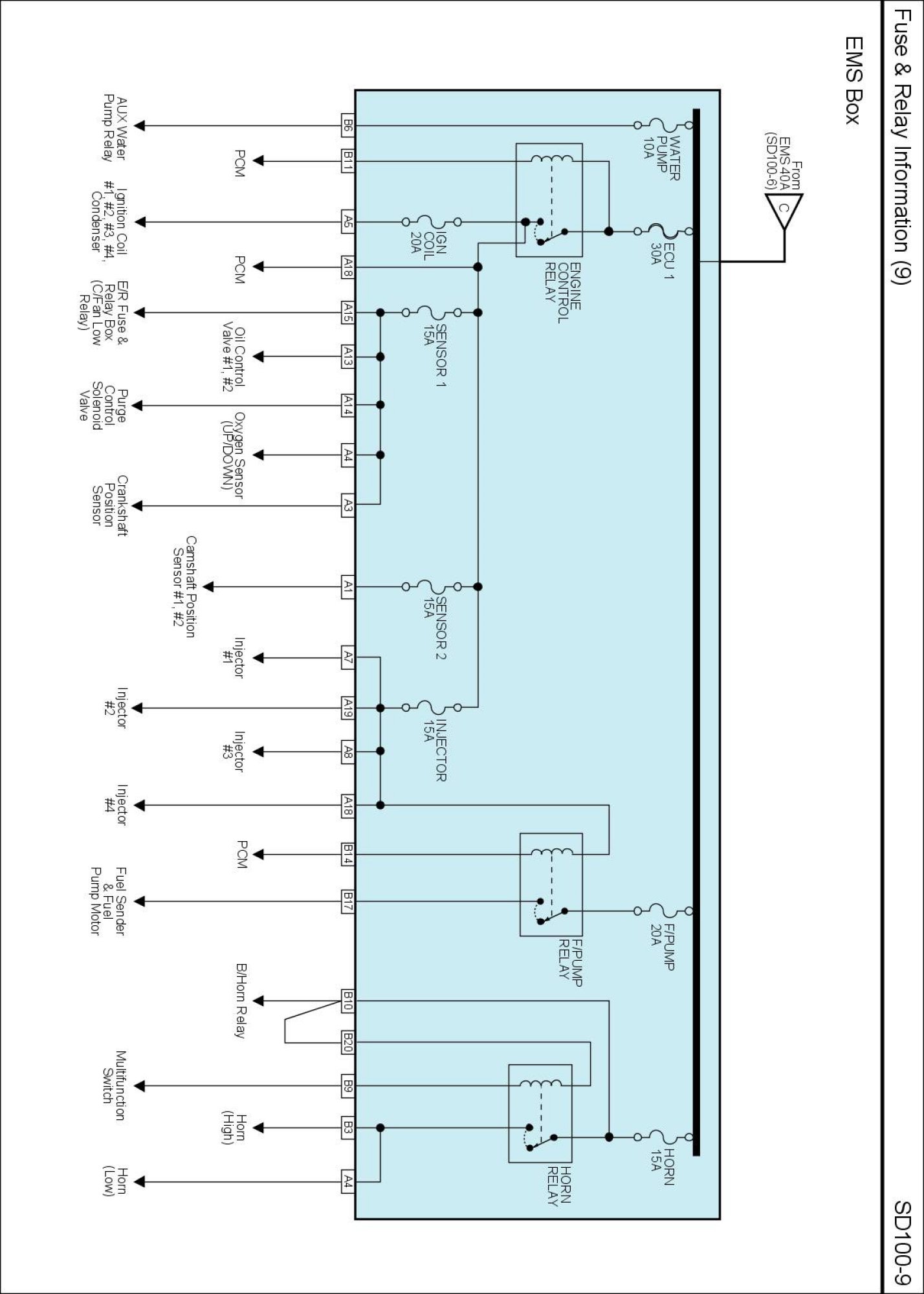
EMS Box View:
photo 16