Curiosii for ever!
: Car repair manuals for everyone.
Home
>>
Hyundai
>>
2011
>>
Sonata L4-2.4L Hybrid
>>
Repair and Diagnosis
>>
Hybrid Drive Systems
>>
Power Control System
>>
Hybrid Power Control Module
>>
Diagrams
>>
Electrical Diagrams
>>
HCU (Hybrid Control Unit)
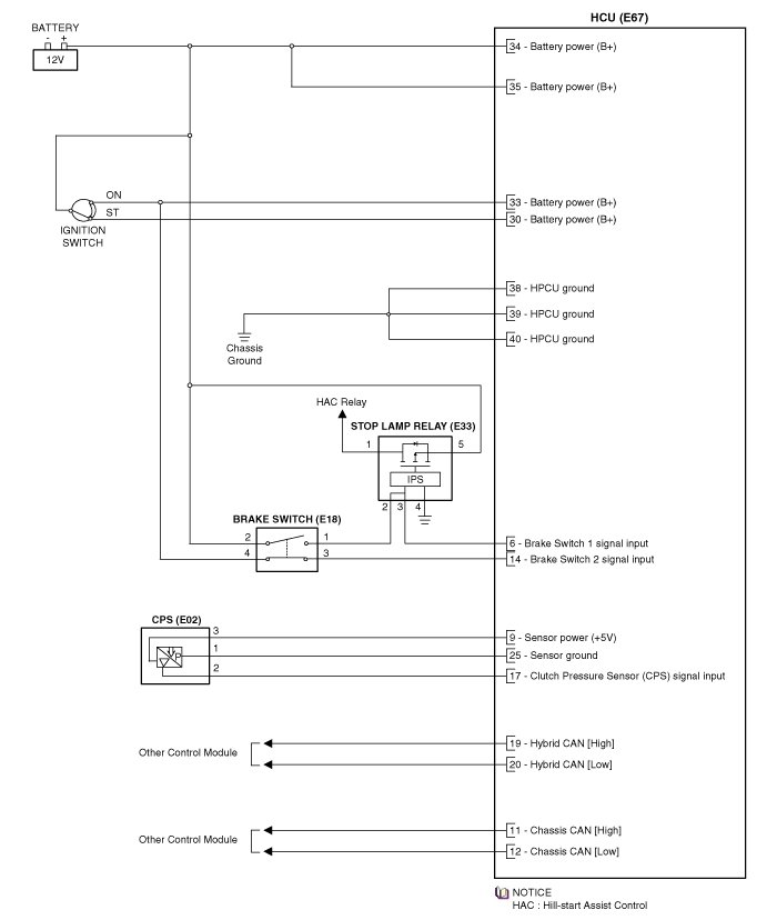
HCU (Hybrid Control Unit)
HCU Terminal And Input/Output Signal
Terminal Function
Connector [E67]
Input/Output signal
Connector [E67]
Circuit Diagram