Curiosii for ever!: Car repair manuals for everyone.

Engine Control Module





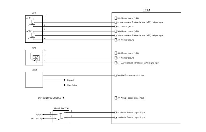
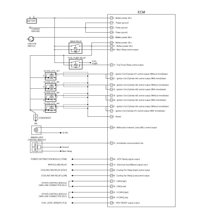
ECM Terminal And Input/Output signal




ECM Terminal Function
Connector [CHG-K]













Connector [CHG-A]









ECM Terminal Input/ Output signal

NOTE:
Engine related parameters will only have valid values when the engine is requested to run by the HPCU (HEV control module). When engine does not run values will be invalid.

Connector [CHG-K]

















Connector [CHG-A]










Circuit Diagram