Curiosii for ever!
: Car repair manuals for everyone.
Home
>>
Hyundai
>>
2011
>>
Sonata L4-2.4L Hybrid
>>
Repair and Diagnosis
>>
Diagrams
>>
Electrical Diagrams
>>
Automatic Transmission/Transaxle
>>
Control Module, A/T
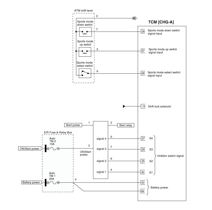
Control Module, A/T
TCM
connector and terminal function
TCM
terminal function
Connector [CHG-A]
Connector [CHG-K]
TCM
Terminal input/ output signal
Connector [CHG-A]
Connector [CHG-K]
Circuit Diagram