Curiosii for ever!
: Car repair manuals for everyone.
Home
>>
Hyundai
>>
2011
>>
Sonata L4-2.0L Turbo
>>
Repair and Diagnosis
>>
Diagrams
>>
Electrical Diagrams
>>
Powertrain Management
>>
Engine Control Module
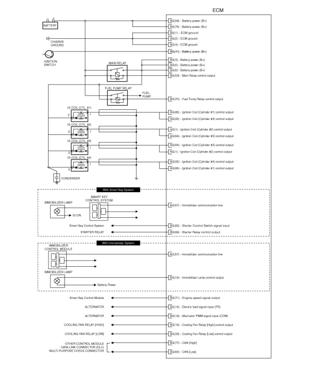
Engine Control Module
ECM Terminal And Input/Output signal
ECM Terminal Function
Connector [CHTG-AG]
Connector [CHTG-BG]
ECM Terminal Input/ Output signal
Connector [CHTG-AG]
Connector [CHTG-BG]
Circuit Diagram