Curiosii for ever!: Car repair manuals for everyone.

Alarm Module: Service and Repair





Replacement

1. Disconnect the negative (-) battery terminal.
2. Remove the crash pad lower panel.

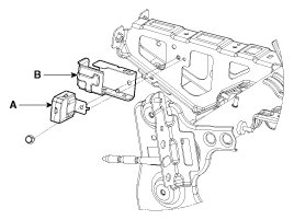
3. Disconnect the 5P connector of the SMARTRA unit and then remove the SMARTRA unit (A) after loosening the bolt.

[USA]




4. Disconnect the immobilizer unit connector and then remove the immobilizer unit(A) and bracket. Remove the immobilizer unit from the bracket(B).

NOTE:
- Be careful not to damage the SMARTRA unit.

[CANADA]




5. Installation is the reverse of removal procedure.