Curiosii for ever!
: Car repair manuals for everyone.
Home
>>
Hyundai
>>
2010
>>
Genesis Coupe V6-3.8L
>>
Repair and Diagnosis
>>
Accessories and Optional Equipment
>>
Antitheft and Alarm Systems
>>
Keyless Entry
>>
Keyless Starting System
>>
Keyless Start Control Module
>>
Diagrams
>>
Electrical Diagrams
>>
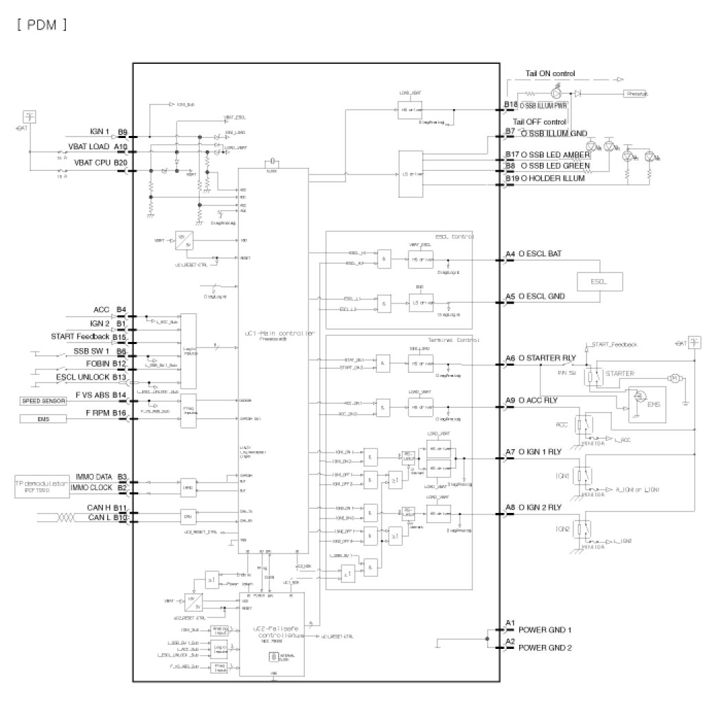
PDM(Power Distribution Module)
PDM(Power Distribution Module)
System Circuit Diagram