Curiosii for ever!
: Car repair manuals for everyone.
Home
>>
Hyundai
>>
2010
>>
Genesis Coupe L4-2.0L Turbo
>>
Repair and Diagnosis
>>
Diagrams
>>
Exploded Views
>>
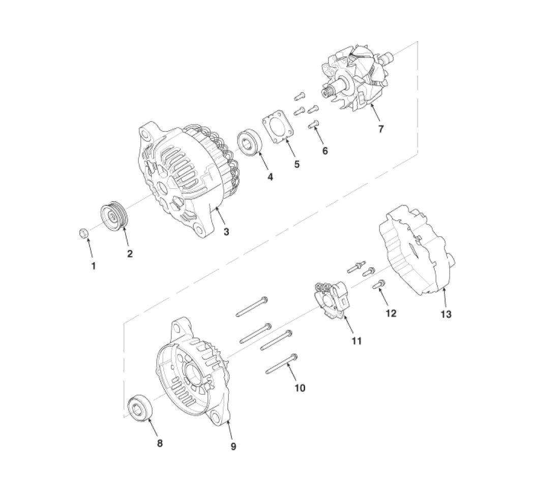
Alternator
Alternator
Component