Curiosii for ever!: Car repair manuals for everyone.

Electrical Diagrams

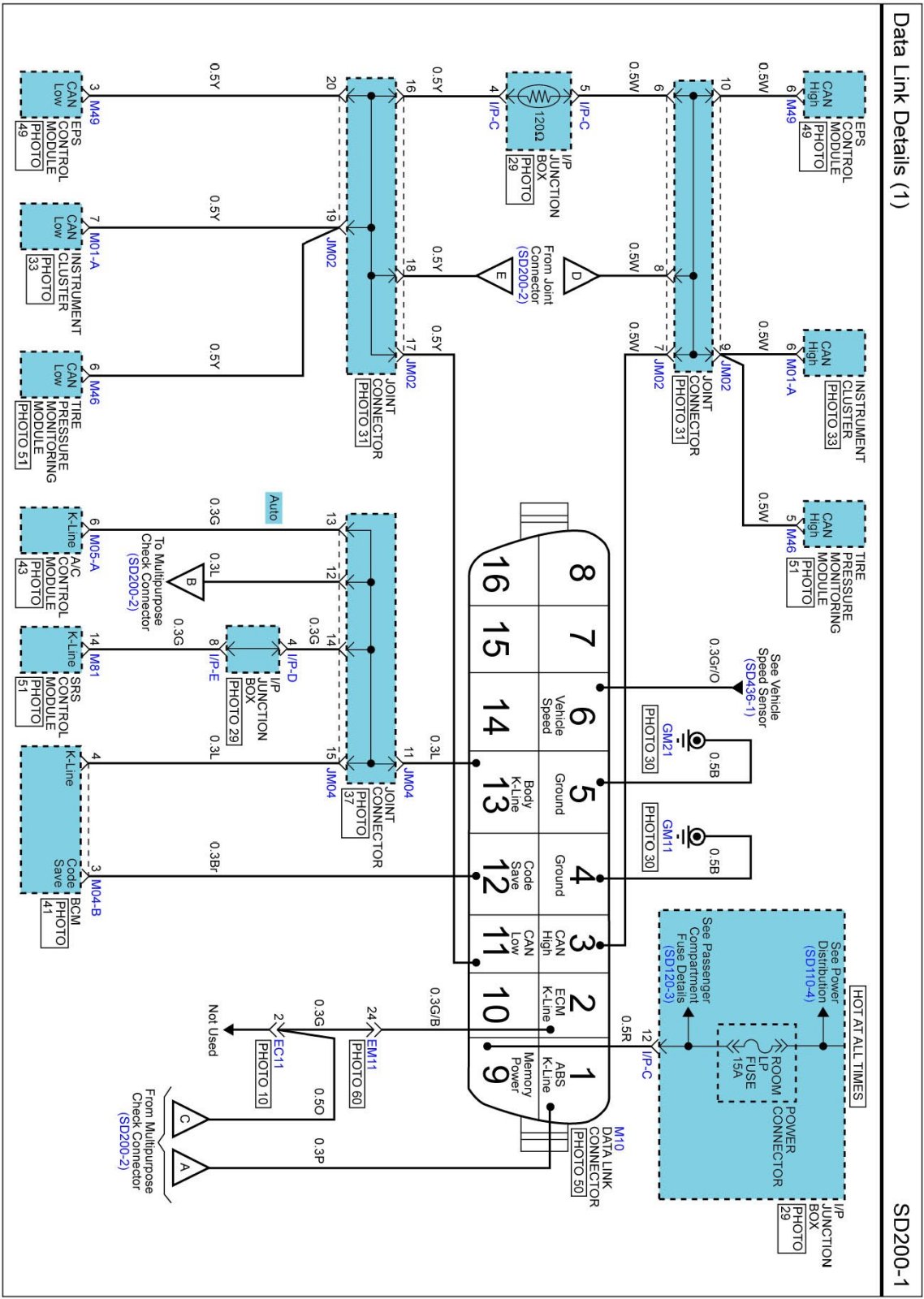
SD200-1 Data Link Details (1):




SD200-2 Data Link Details (2):




Data Link Details (3) Connector Pin Outs:






Diagrams: Other diagrams referred to by SD number (i.e SD130-4, etc.) within these diagrams can be found at Diagrams by Number. Diagrams By Number

Locations: Location photographs (references to PHOTOS) referred to within these diagrams can be found via the photo number at the vehicle level under Locations by Photo Number. Component Locations

Connector Views: The Connector Pin Out Views for connectors shown on these diagrams can be found on the Connector Pin Out images that accompany most sets of system diagrams