Curiosii for ever!: Car repair manuals for everyone.

Repair Procedures





Removal

1. Removal the engine cover(A).




2. Disconnect the throttle position sensor(TPS) and the idle speed actuator(ISA) connectors.
3. Disconnect the positive crankcase ventilation(PCV) hose and the breather hose.
4. Disconnect the accelerator cable.
5. Remove the delivery pipe(A).




6. Disconnect the purge control solenoid valve(PCSV) hose and the brake booster hose from the intake manifold and throttle body assembly.
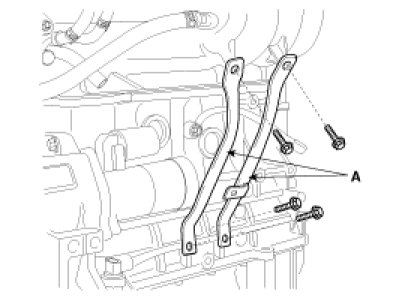
7. Remove the intake manifold stay(A).

Tightening torque
17.7 - 24.5Nm (1.8 - 2.5kgf.m, 13.0 - 18.1lb-ft)





8. Remove the intake manifold assembly(A).

Tightening torque
15.7 - 22.6Nm (1.6 - 2.3kgf.m, 11.6 - 16.6lb-ft)





9. To install, reverse the removal procedure with new gaskets.