Curiosii for ever!
: Car repair manuals for everyone.
Home
>>
Hyundai
>>
2009
>>
Genesis Sedan V8-4.6L
>>
Repair and Diagnosis
>>
Diagrams
>>
Electrical Diagrams
>>
Starting System
>>
Keyless Starting System
>>
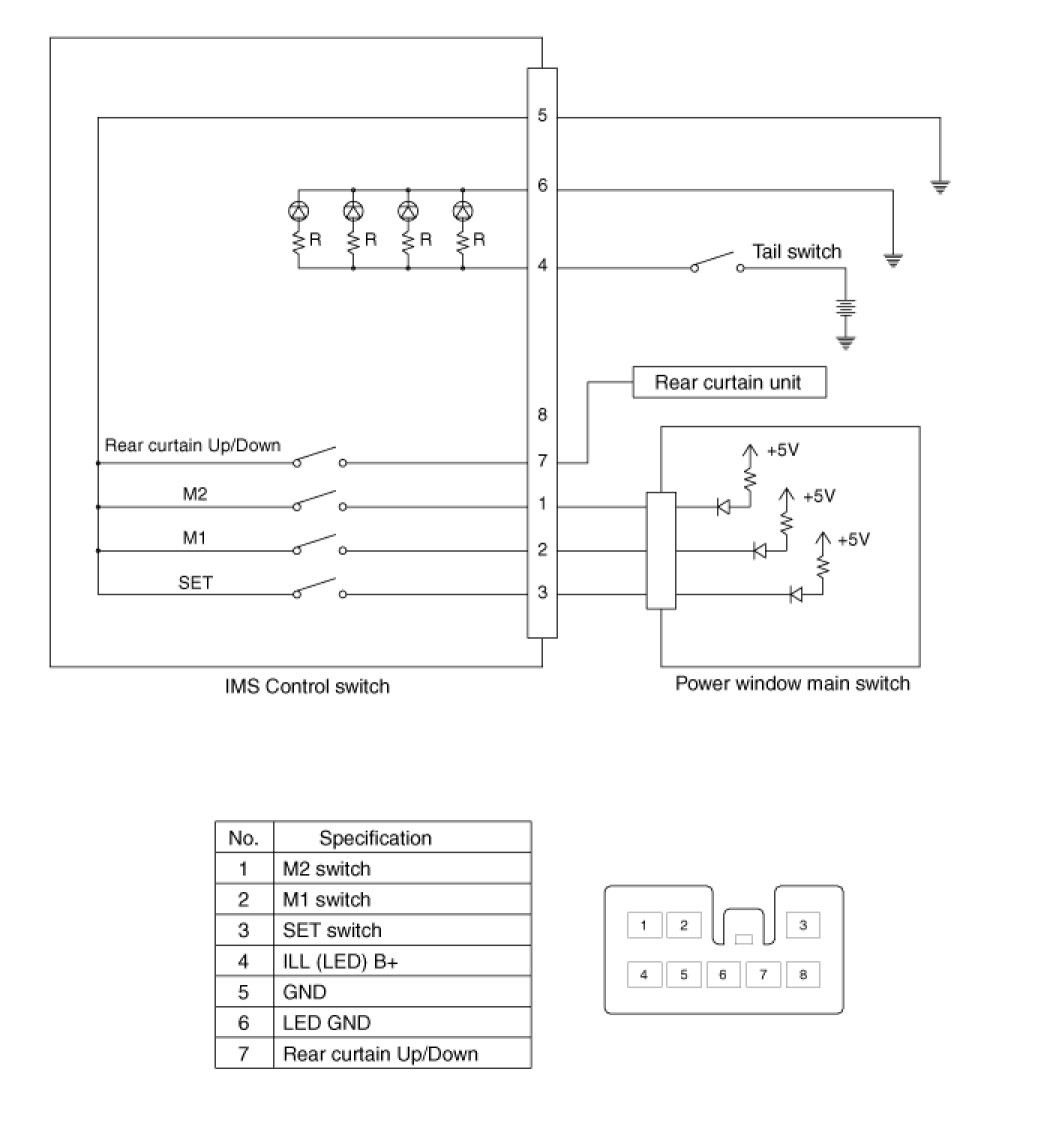
IMS Control Switch
IMS Control Switch
Circuit Diagram