Curiosii for ever!
: Car repair manuals for everyone.
Home
>>
Hyundai
>>
2009
>>
Elantra L4-2.0L
>>
Repair and Diagnosis
>>
Powertrain Management
>>
Computers and Control Systems
>>
Testing and Inspection
>>
Pinout Values and Diagnostic Parameters
Pinout Values and Diagnostic Parameters
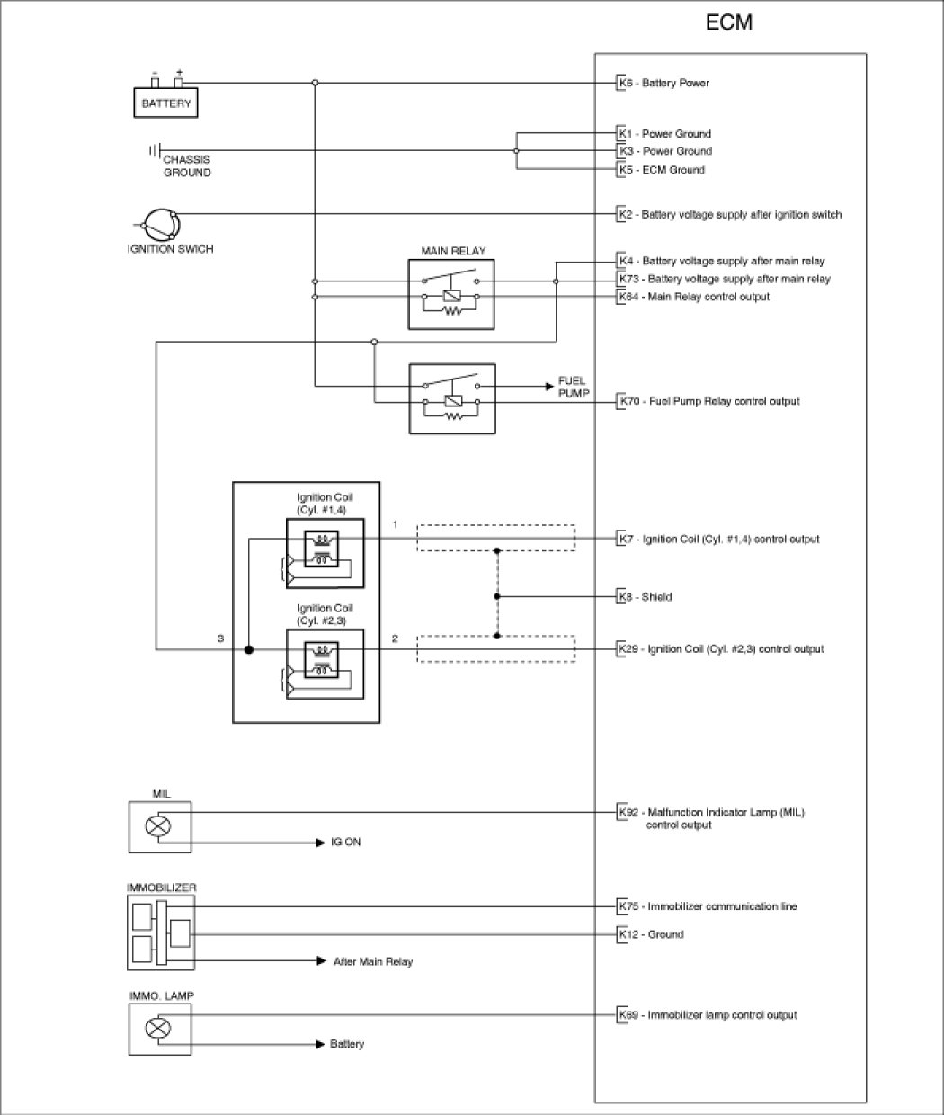
Engine Control Module (ECM)
1.
Harness Connector
2.
Terminal Function
Connector [CBG-K]
3.
Terminal Input/output Signal
Connector [CBG-K]
Circuit Diagram