Curiosii for ever!
: Car repair manuals for everyone.
Home
>>
Hyundai
>>
2009
>>
Elantra L4-2.0L
>>
Repair and Diagnosis
>>
Engine, Cooling and Exhaust
>>
Engine
>>
Specifications
>>
Cylinder Block
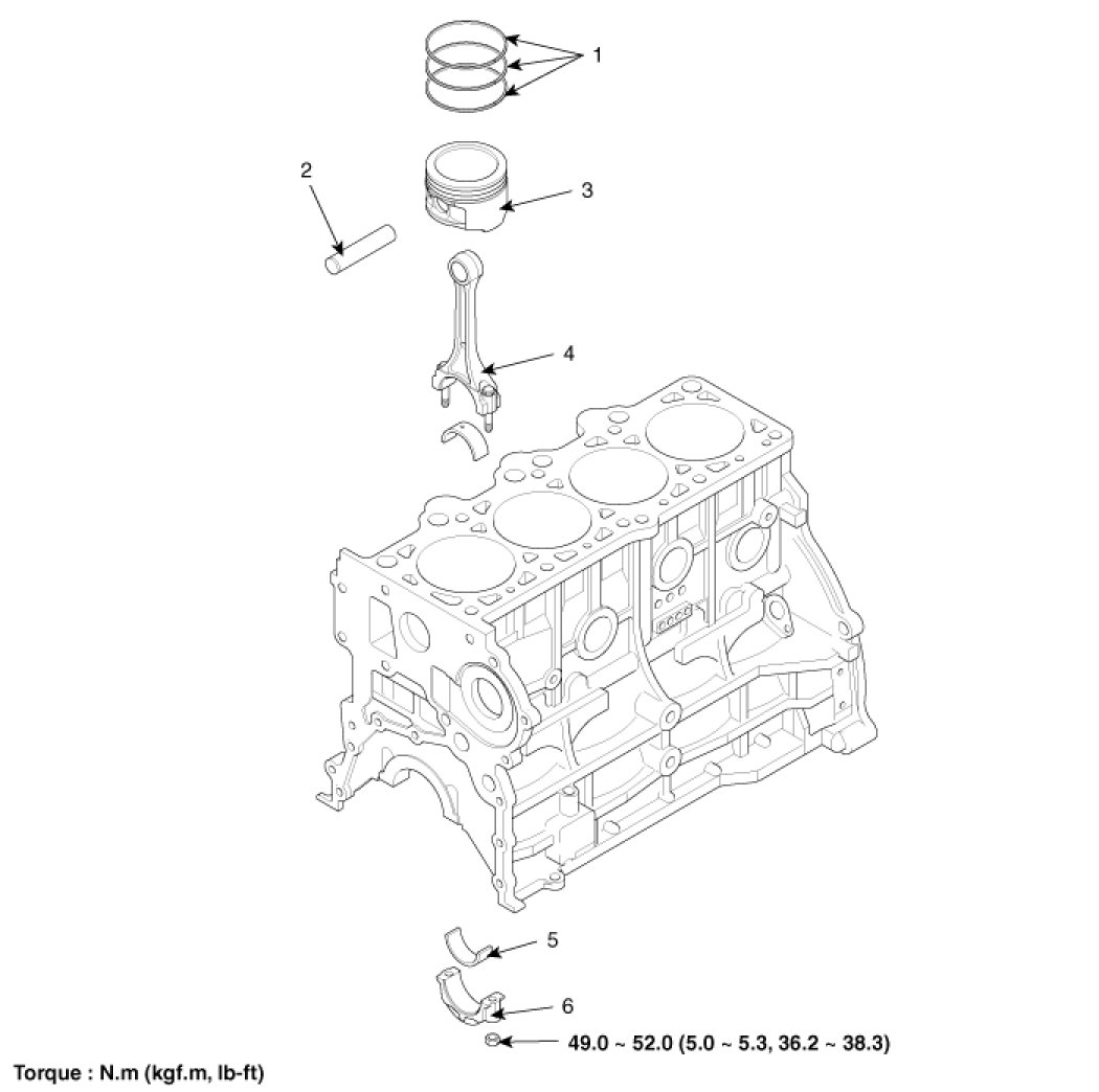
Cylinder Block
Components